πŸŒ™ Ψ±Ω…ΨΆΨ§Ω† ΩƒΨ±ΩŠΩ… ✨
✨ Ramadan Working Hours: 9:00 AM – 3:00 PM ✨

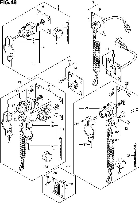
DF140A

Section 48: OPT:SWITCH (v2)

Model code: DF140A-E03-013
Section 48 β€” OPT:SWITCH
DF140A
100%
DF140A – section 48 OPT:SWITCH parts diagram
Diagram image Open full size
Parts list
Section 48
Ref Part No. / Description Qty Buy
1
37100-96J00
PANEL ASSY, IGNITION SW
1 WhatsApp
2
37110-93J00
.SWITCH ASSY, IGNITION
1 WhatsApp
4
37143-99E00
..CAP, KEY
1 WhatsApp
5
37149-93J00
..CAP, CYLINDER BODY
1 WhatsApp
6
37139-99E00
.PANEL, IGNITION SW
1
Price: 82.68 AED
In stock (3)
7
38500-93J90
.BUZZER ASSY, WARNING
1
Price: 56.61 AED
In stock (8)
8
09407-08401
.CLAMP (L:80)
1
Price: 2.98 AED
In stock (16)
9
37803-93J03
PANEL ASSY, EMERGENCY SW
1 WhatsApp
10
37825-99E00
.PANEL, EMERGENCY SW
1 WhatsApp
11
37805-93J00
PANEL ASSY, PTT SW
1 WhatsApp
12
37855-99E00
.PANEL, PTT SW
1 WhatsApp
13
37210-93J00
PANEL ASSY, LIGHTING SW
1 WhatsApp
14
37212-93J00
.PANEL, LIGHTING SW
1 WhatsApp
15
37100-96J13
PANEL ASSY, DUAL ENGINE SW
1 WhatsApp
16
37110-93J00
.SWITCH ASSY, IGNITION
2 WhatsApp
18
37143-99E00
..CAP, KEY
2 WhatsApp
19
37149-93J00
..CAP, CYLINDER BODY
2 WhatsApp
20
37820-93J93
.SWITCH ASSY, EMERGENCY
1 WhatsApp
21
37139-99E10
.PANEL, IGNITION SWITCH
1 WhatsApp
22
03121-0516A
.SCREW
4 WhatsApp
23
38500-93J90
.BUZZER ASSY, WARNING
1
Price: 56.61 AED
In stock (8)
24
09407-08401
.CLAMP (L:80)
1
Price: 2.98 AED
In stock (16)
25
37100-96J23
PANEL ASSY, ENGINE SW
1 WhatsApp
26
37110-93J00
.SWITCH ASSY, IGNITION
1 WhatsApp
28
37143-99E00
..CAP, KEY
1 WhatsApp
29
37149-93J00
..CAP, CYLINDER BODY
1 WhatsApp
30
37820-93J03
.SWITCH ASSY, EMERGENCY
1 WhatsApp
31
37823-92E01
..PLATE ASSY EMERGENCY SW LOCK
1 WhatsApp
32
37826-92E00
..NUT
1 WhatsApp
33
37139-99E20
.PANEL
1 WhatsApp
34
03121-0516A
.SCREW
4 WhatsApp
35
38500-93J90
.BUZZER ASSY, WARNING
1
Price: 56.61 AED
In stock (8)
36
09407-08401
.CLAMP (L:80)
1
Price: 2.98 AED
In stock (16)
37
37860-87L00
PANEL ASSY, TROLLING CTR SW
1 WhatsApp
38
37862-87L00
.PANEL
1 WhatsApp
39
09131-05004
.SCREW
4 WhatsApp
17-1
37141-99E00
..KEY (931)
4 WhatsApp
17-10
37141-99E90
..KEY (940)
4 WhatsApp
17-11
37141-99EA0
..KEY (941)
4 WhatsApp
17-12
37141-99EB0
..KEY (942)
4 WhatsApp
17-2
37141-99E10
..KEY (932)
4 WhatsApp
17-3
37141-99E20
..KEY (933)
4 WhatsApp
17-4
37141-99E30
..KEY (934)
4 WhatsApp
17-5
37141-99E40
..KEY (935)
4 WhatsApp
17-6
37141-99E50
..KEY (936)
4 WhatsApp
17-7
37141-99E60
..KEY (937)
4 WhatsApp
17-8
37141-99E70
..KEY (938)
4 WhatsApp
17-9
37141-99E80
..KEY (939)
4 WhatsApp
27-1
37141-99E00
..KEY (931)
2 WhatsApp
27-10
37141-99E90
..KEY (940)
2 WhatsApp
27-11
37141-99EA0
..KEY (941)
2 WhatsApp
27-12
37141-99EB0
..KEY (942)
2 WhatsApp
27-2
37141-99E10
..KEY (932)
2 WhatsApp
27-3
37141-99E20
..KEY (933)
2 WhatsApp
27-4
37141-99E30
..KEY (934)
2 WhatsApp
27-5
37141-99E40
..KEY (935)
2 WhatsApp
27-6
37141-99E50
..KEY (936)
2 WhatsApp
27-7
37141-99E60
..KEY (937)
2 WhatsApp
27-8
37141-99E70
..KEY (938)
2 WhatsApp
27-9
37141-99E80
..KEY (939)
2 WhatsApp
3-1
37141-99E00
..KEY (931)
1 WhatsApp
3-10
37141-99E90
..KEY (940)
1 WhatsApp
3-11
37141-99EA0
..KEY (941)
1 WhatsApp
3-12
37141-99EB0
..KEY (942)
1 WhatsApp
3-2
37141-99E10
..KEY (932)
1 WhatsApp
3-3
37141-99E20
..KEY (933)
1 WhatsApp
3-4
37141-99E30
..KEY (934)
1 WhatsApp
3-5
37141-99E40
..KEY (935)
1 WhatsApp
3-6
37141-99E50
..KEY (936)
1 WhatsApp
3-7
37141-99E60
..KEY (937)
1 WhatsApp
3-8
37141-99E70
..KEY (938)
1 WhatsApp
3-9
37141-99E80
..KEY (939)
1 WhatsApp