πŸŒ™ Ψ±Ω…ΨΆΨ§Ω† ΩƒΨ±ΩŠΩ… ✨
✨ Ramadan Working Hours: 9:00 AM – 3:00 PM ✨

DF140A

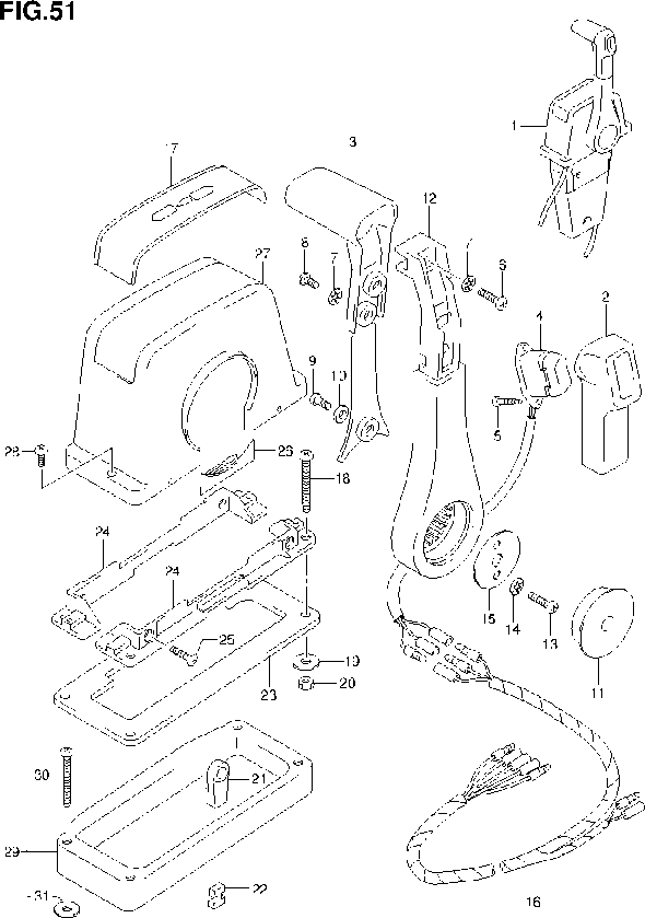
Section 51: OPT:REMOTE CONTROL ASSY SINGLE (1) (v2)

Model code: DF140A-E03-013
Section 51 β€” OPT:REMOTE CONTROL ASSY SINGLE (1)
DF140A
100%
DF140A – section 51 OPT:REMOTE CONTROL ASSY SINGLE (1) parts diagram
Diagram image Open full size
Parts list
Section 51
Ref Part No. / Description Qty Buy
1
67200-93J13
REMOTE CONTROL ASSY
1 WhatsApp
2
67261-93J00
.GRIP, NO.1
1 WhatsApp
3
67263-93J00
.GRIP, NO.2
1 WhatsApp
4
37850-93J10
.SWITCH ASSY, PTT
1
Price: 230.17 AED
In stock (8)
5
67295-92E10
.SCREW
2 WhatsApp
6
67296-88D10
.SCREW
1 WhatsApp
7
67288-92E20
.WASHER
3 WhatsApp
8
67295-92E00
.SCREW
2 WhatsApp
9
67296-92E70
.SCREW
1 WhatsApp
10
67288-92E40
.WASHER
1 WhatsApp
11
67257-92E00
.CAP, LEVER
1 WhatsApp
12
67251-93J00
.LEVER, HANDLE
1 WhatsApp
13
67296-92E60
.SCREW
2 WhatsApp
14
67288-92E30
.WASHER
2 WhatsApp
15
67253-92E00
.WASHER
1 WhatsApp
16
36890-93J00
.WIRE HARNESS
1 WhatsApp
17
67281-93J00
.DECAL
1 WhatsApp
18
67296-92E30
.SCREW
4 WhatsApp
19
09160-05024
.WASHER (5.5X16X1.5)
4 WhatsApp
20
67287-92E00
.NUT
4 WhatsApp
21
67275-95600
.END, CABLE
2
Price: 14.15 AED
In stock (37)
22
67273-95600
.SPACER
1 WhatsApp
23
67273-92E00
.GROMMET
1 WhatsApp
24
67274-92E00
.FLANGE
2 WhatsApp
25
67296-95610
.SCREW
4 WhatsApp
26
67271-92E00
.COVER
1 WhatsApp
27
67211-93J00
.COVER
1 WhatsApp
28
67296-92E70
.SCREW
2 WhatsApp
29
67500-93J00
KIT, REMOCON SPACER SINGLE
1
Price: 37.24 AED
In stock (3)
30
09125-05135
.SCREW (5X65)
4 WhatsApp
31
09160-05029
.WASHER (5.5X12X0.8)
4
Price: 3.72 AED
In stock (1)
32
09140-05005
.NUT
4 WhatsApp