YFM25RD
Section 7: OIL COOLER (v2)
Model code: 1BTM
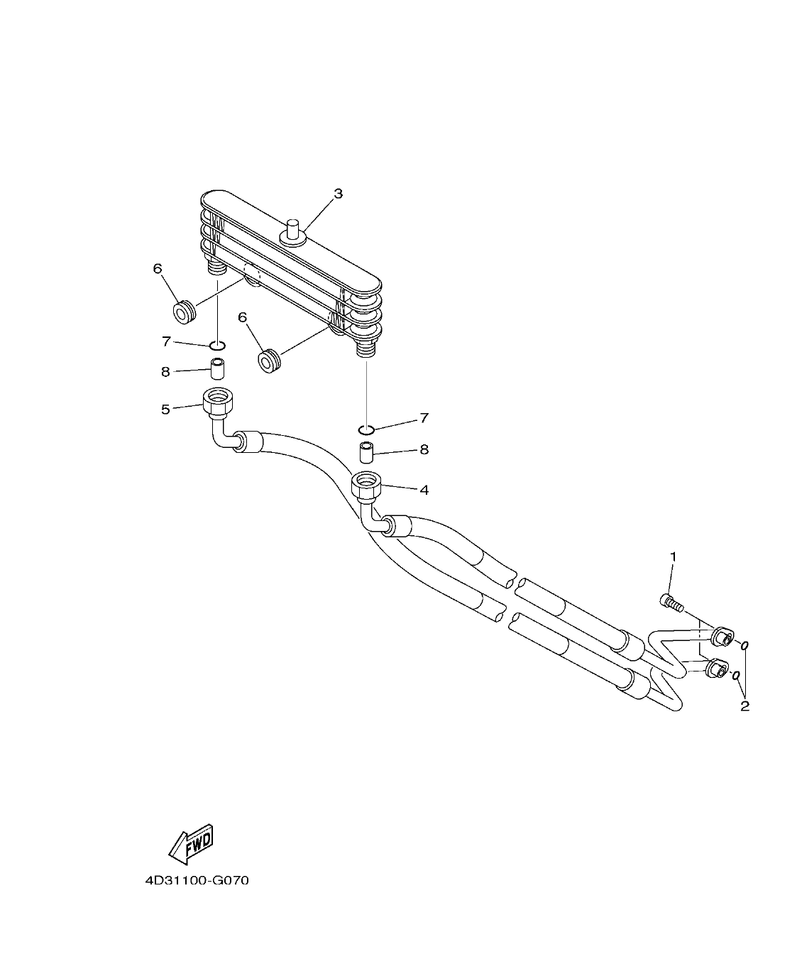
Parts list
Section 7
| Ref | Part No. / Description | Qty | Buy |
|---|---|---|---|
| 1 |
91312-06016
BOLT
|
2 | |
| 2 |
93210-10197
O-RING
|
2 | |
| 3 |
4KB-13470-00
OIL COOLER ASSY
|
1 | |
| 4 |
4D3-13464-00
HOSE, OIL 1
|
1 | |
| 5 |
4D3-13465-00
HOSE, OIL 2
|
1 | |
| 6 |
90480-15235
GROMMET
|
2 | |
| 7 |
93210-12152
O-RING
|
2 | |
| 8 |
93612-16254
PIN, DOWEL
|
2 |