YZF-R1
Section 12: AIR INDUCTION SYSTEM (v2)
Model code: 4C89
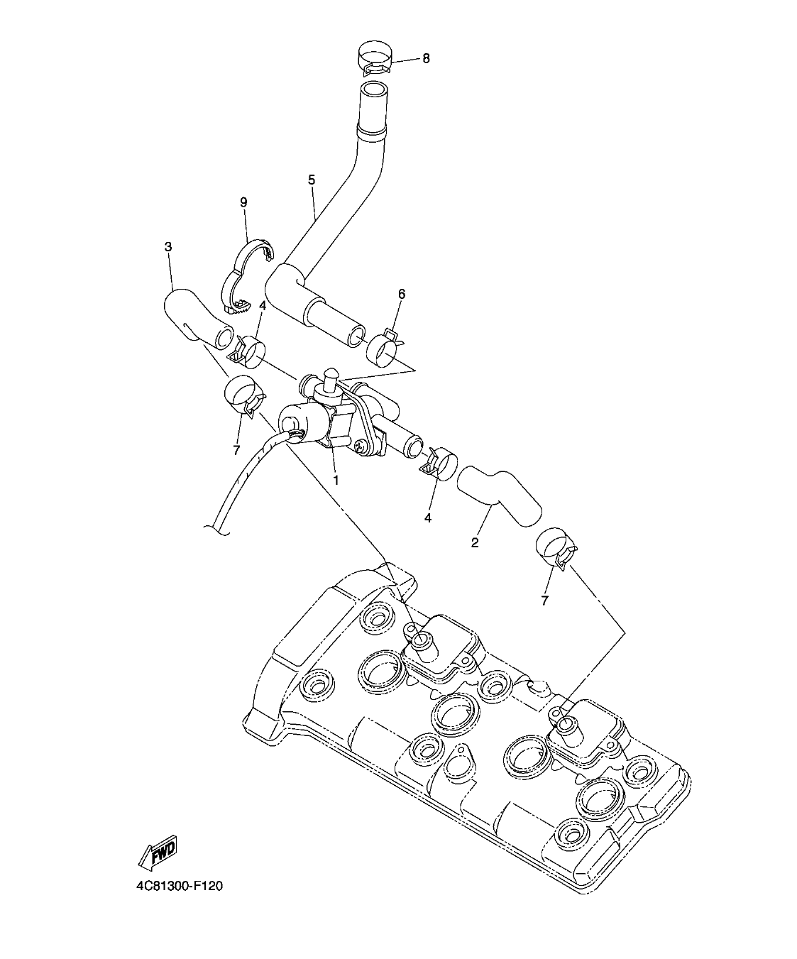
Parts list
Section 12
| Ref | Part No. / Description | Qty | Buy |
|---|---|---|---|
| 1 |
4C8-14840-00
AIR CUT VALVE ASSY
|
1 | |
| 2 |
4C8-14881-00
HOSE, BEND 1
|
1 | |
| 3 |
4C8-14882-00
HOSE, BEND 2
|
1 | |
| 4 |
90467-18172
CLIP
|
2 | |
| 5 |
4C8-14883-00
HOSE, BEND 3
|
1 | |
| 6 |
90467-18172
CLIP
|
1 | |
| 7 |
90467-180A0
CLIP
|
2 | |
| 8 |
90467-17128
CLIP
|
1 | |
| 9 |
90464-28003
CLAMP
|
1 |