YZF-R1
Section 41: STARTING MOTOR (v2)
Model code: 4C89
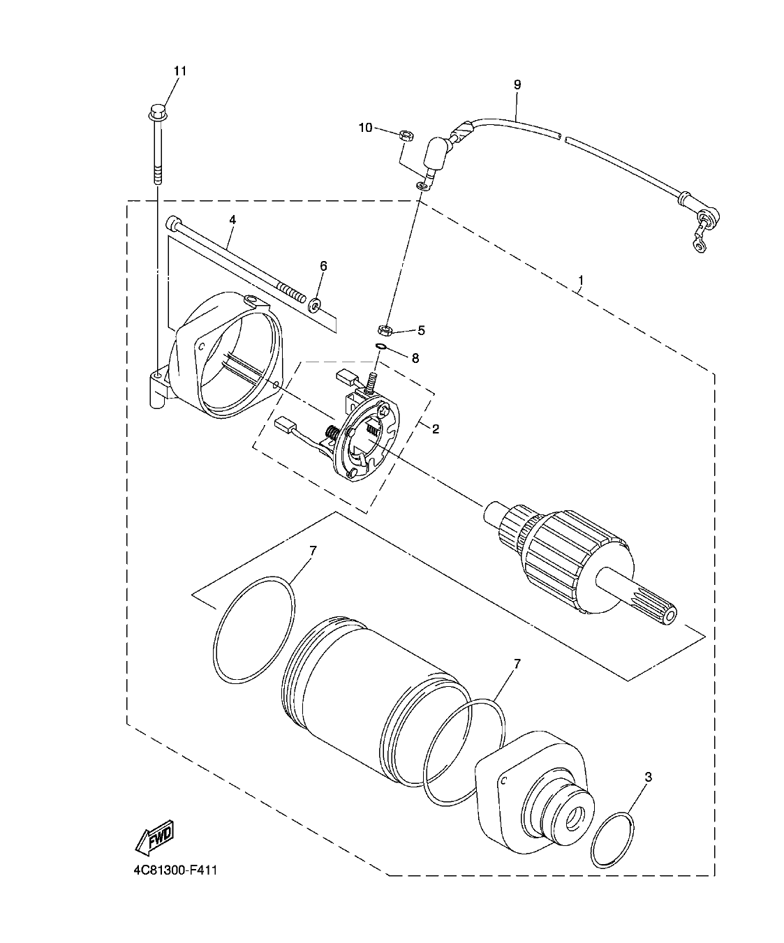
Parts list
Section 41
| Ref | Part No. / Description | Qty | Buy |
|---|---|---|---|
| 1 |
4C8-81890-01
MOTOR ASSY
|
1 | |
| 2 |
4C8-81801-01
.BRUSH SET
|
1 | |
| 3 |
93210-25711
.O-RING
|
1 |
6.70 AED
Check price & stock on WhatsApp
|
| 4 |
4C8-81846-00
.SCREW
|
2 | |
| 5 |
95302-06700
.NUT
|
1 | |
| 6 |
90201-05021
.WASHER, PLATE
|
2 | |
| 7 |
4C8-81861-00
.GASKET
|
2 | |
| 8 |
93210-06001
.O-RING
|
1 | |
| 9 |
4C8-8183G-00
CORD COMP.
|
1 | |
| 10 |
95302-06700
NUT
|
1 | |
| 11 |
95022-06040
BOLT, FLANGE
|
2 |