πŸŒ™ Ψ±Ω…ΨΆΨ§Ω† ΩƒΨ±ΩŠΩ… ✨
✨ Ramadan Working Hours: 9:00 AM – 3:00 PM ✨

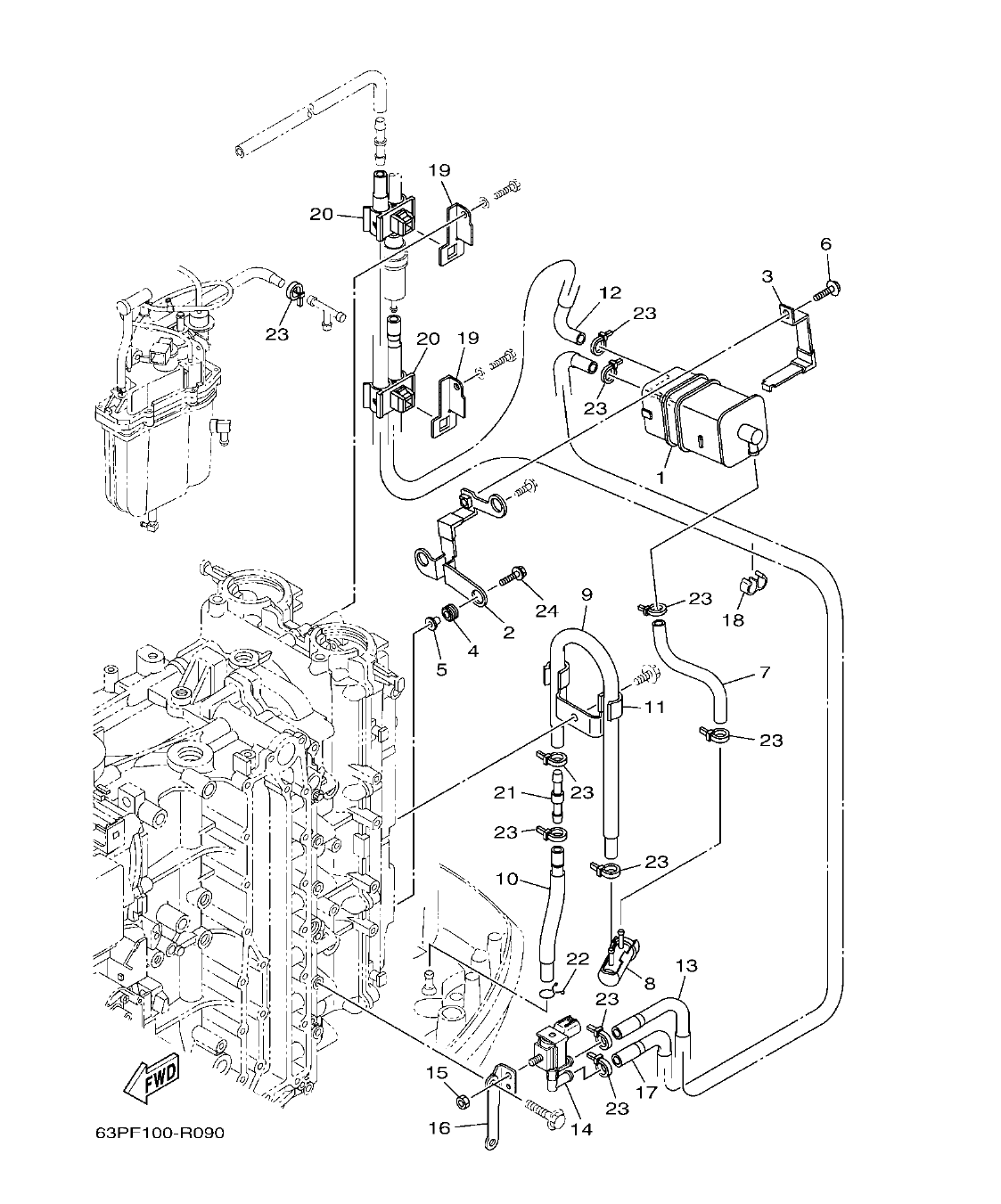
FL150FET'19

Section 9: INTAKE 2 ADMISION 2 (v2)

Model code: 6BNC
Section 9 β€” INTAKE 2 ADMISION 2
FL150FET'19
100%
FL150FET'19 – section 9 INTAKE 2 ADMISION 2 parts diagram
Diagram image Open full size
Parts list
Section 9
Ref Part No. / Description Qty Buy
1
6P2-24170-00
CANISTER ASSY
1
2
63P-2134X-00
BRACKET, CANISTER
1
3
63P-2419A-01
HOLDER
1
4
90480-10M23
GROMMET
3
5
90387-06289
COLLAR
3
6
97E95-06516
BOLT, HEXAGON W/W DEEP RECESS
1
7
64P-24313-00
PIPE 3
1
8
69J-24502-00
FILTER, FUEL
1
194.41 AED
πŸ”“ Unlock Discounts
Stock 41
9
64P-24312-00
PIPE 2
1
10
64P-24311-10
PIPE, FUEL 1
1
11
63P-24367-01
CLAMP, FUEL PIPE 2
1
12
64P-24315-00
PIPE 5
1
13
64P-24316-10
PIPE 6
1
14
6C5-86120-00
SOLENOID VALVE ASSY
1
362.01 AED
πŸ”“ Unlock Discounts
Stock 7
15
95380-06600
NUT, HEXAGON
1
3.72 AED
πŸ”“ Unlock Discounts
Stock 3 (Ask)
16
63P-81845-20
PLATE
1
17
64P-24314-10
PIPE 4
1
18
90464-09M31
CLAMP
1
3.72 AED
πŸ”“ Unlock Discounts
Stock 4 (Ask)
19
63P-24364-01
STAY
2
20
90464-11012
CLAMP
2
21
6E5-24379-00
PIPE, JOINT 4
1
22
90467-09M09
CLIP
1
23
90465-11M10
CLAMP
10
24
90119-06135
BOLT, WITH WASHER
2