πŸŒ™ Ψ±Ω…ΨΆΨ§Ω† ΩƒΨ±ΩŠΩ… ✨
✨ Ramadan Working Hours: 9:00 AM – 3:00 PM ✨

FL150FET'19

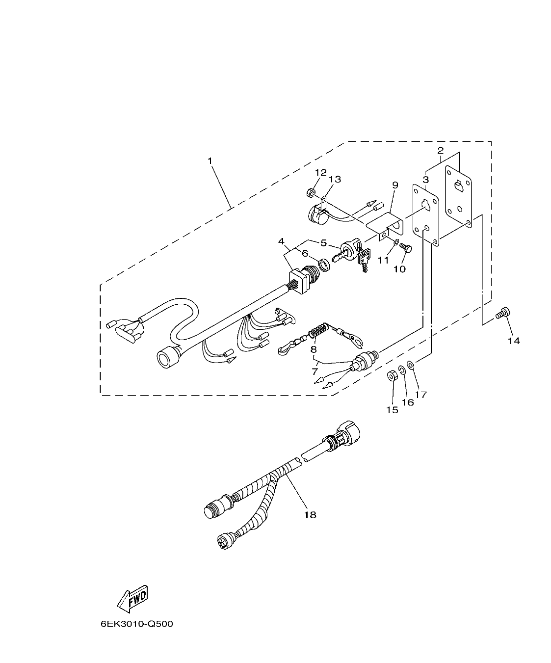
Section 40: SWITCH & PANEL 1 PANEL DE INTERRUPTOR 1 (v2)

Model code: 6BNC
Section 40 β€” SWITCH & PANEL 1 PANEL DE INTERRUPTOR 1
FL150FET'19
100%
FL150FET'19 – section 40 SWITCH & PANEL 1 PANEL DE INTERRUPTOR 1 parts diagram
Diagram image Open full size
Parts list
Section 40
Ref Part No. / Description Qty Buy
1
6R5-82570-07
PANEL SWITCH ASSY
AP FOR CAR
1
2
704-82571-02
.PANEL, SWITCH
1
3
6R5-82588-01
..PLATE
1
4
6R5-82510-03
.MAIN SWITCH ASSY
1
5
676-82577-01
..CAP, KEY
1
6
703-82532-00
..CAP
1
7
688-82575-02
.ENGINE STOP SWITCH ASSY
1
185.48 AED
πŸ”“ Unlock Discounts
Stock 5
8
682-82556-00
..LANYARD, STOP SWITCH
1
50.65 AED
πŸ”“ Unlock Discounts
Stock 134
9
64D-82581-00
.STAY, CORD CLAMP
1
10
97303-05012
.BOLT
1
11
92903-05100
.WASHER, SPRING
1
12
95303-05700
.NUT
1
13
6R5-83383-00
.BUZZER
1
14
90149-05M05
SCREW
AP FOR CAR
4
15
95303-05600
NUT
AP FOR CAR
4
16
92903-05100
WASHER, SPRING
AP FOR CAR
4
17
92903-05600
WASHER, PLATE
AP FOR CAR
4
18
6K1-8258A-40
EXTENSION, WIRE HARNESS (8M)
AP FOR CAR (10P)
1