πŸŒ™ Ψ±Ω…ΨΆΨ§Ω† ΩƒΨ±ΩŠΩ… ✨
✨ Ramadan Working Hours: 9:00 AM – 3:00 PM ✨

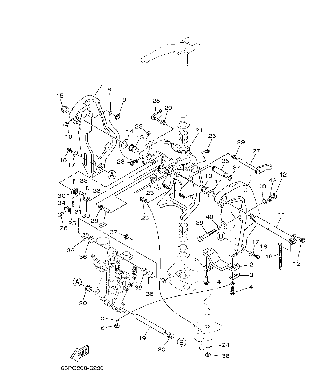
FL150FET'19

Section 23: BRACKET 1 SOPORTE 1 (v2)

Model code: 6BNC
Section 23 β€” BRACKET 1 SOPORTE 1
FL150FET'19
100%
FL150FET'19 – section 23 BRACKET 1 SOPORTE 1 parts diagram
Diagram image Open full size
Parts list
Section 23
Ref Part No. / Description Qty Buy
1
64E-43111-02-8D
BRACKET, CLAMP 1
1
2
6G5-45251-02
ANODE
1
97.58 AED
πŸ”“ Unlock Discounts
Stock 446
3
6G5-44526-00
PLATE
2
5.21 AED
πŸ”“ Unlock Discounts
Stock 12
4
97E95-06530
BOLT, HEXAGON W/W DEEP RECESS
4
2.98 AED
πŸ”“ Unlock Discounts
Stock 5
5
6E5-82148-00
WIRE, LEAD 4
1
12.66 AED
πŸ”“ Unlock Discounts
Stock 27
6
97E95-06510
BOLT, HEXAGON W/W DEEP RECESS
1
7
64E-43112-02-8D
BRACKET, CLAMP 2
1
8
6E5-82148-00
WIRE, LEAD 4
1
12.66 AED
πŸ”“ Unlock Discounts
Stock 27
9
97985-06212
SCREW, WITH WASHER
1
10
93700-06002
NIPPLE, GREASE
1
35.75 AED
πŸ”“ Unlock Discounts
Stock 8
11
64E-43131-01
BOLT, CLAMP BRACKET
1
12
97E95-08520
BOLT, HEXAGON W/W DEEP RECESS
1
8.19 AED
πŸ”“ Unlock Discounts
Stock 1 (Ask)
13
90386-25M31
BUSH
2
8.19 AED
πŸ”“ Unlock Discounts
Stock 151
14
90201-26M59
WASHER, PLATE
2
5.96 AED
πŸ”“ Unlock Discounts
Stock 67
15
90185-22M11
NUT, SELF-LOCKING
1
16
90465-11M10
CLAMP
1
17
90201-10060
WASHER, PLATE
2
18
90119-10054
BOLT, WITH WASHER
2
19
6BC-43818-00
PIN, LOWER SHOCK MOUNT
1
332.96 AED
πŸ”“ Unlock Discounts
Stock 1 (Ask)
20
90386-22M98
BUSH
2
8.94 AED
πŸ”“ Unlock Discounts
Stock 600
21
64E-43311-10-8D
BRACKET, SWIVEL 1
1
22
90465-08M63
CLAMP
1
23
93700-06002
NIPPLE, GREASE
5
35.75 AED
πŸ”“ Unlock Discounts
Stock 8
24
66K-82149-00
WIRE, LEAD 3
1
25
6G5-43144-00
HOOK, SPRING
1
26
97D95-06010
BOLT, HEXAGON DEEP RECESS
1
27
6G5-43181-02
LEVER, TILT STOP 1
1
139.29 AED
πŸ”“ Unlock Discounts
Stock 7
28
6G5-43185-02
LEVER, TILT STOP 2
1
29
90386-10M16
BUSH
3
4.47 AED
πŸ”“ Unlock Discounts
Stock 90
30
6G5-43148-00
COLLAR, DISTANCE
2
6.70 AED
πŸ”“ Unlock Discounts
Stock 21
31
90249-06M19
PIN
1
32
90387-10M05
COLLAR
1
9.68 AED
πŸ”“ Unlock Discounts
Stock 1 (Ask)
33
91690-30020
PIN, SPRING
2
2.98 AED
πŸ”“ Unlock Discounts
Stock 4 (Ask)
34
90506-16003
SPRING, TENSION
1
14.90 AED
πŸ”“ Unlock Discounts
Stock 2 (Ask)
35
64E-43126-10
PIN, UPPER SHOCK MOUNT
1
36
90386-22M98
BUSH
4
8.94 AED
πŸ”“ Unlock Discounts
Stock 600
37
93410-22M11
CIRCLIP
2
8.94 AED
πŸ”“ Unlock Discounts
Stock 7
38
95D95-06010
BOLT, FLANGE DEEP RECESS
1
39
90101-12M05
BOLT (L:130MM)
4
40
90201-13M01
WASHER, PLATE
8
7.45 AED
πŸ”“ Unlock Discounts
Stock 16
41
90201-12426
WASHER, PLATE
4
8.94 AED
πŸ”“ Unlock Discounts
Stock 16
42
95380-12600
NUT
8
11.17 AED
πŸ”“ Unlock Discounts
Stock 69