πŸŒ™ Ψ±Ω…ΨΆΨ§Ω† ΩƒΨ±ΩŠΩ… ✨
✨ Ramadan Working Hours: 9:00 AM – 3:00 PM ✨

FL150FET'19

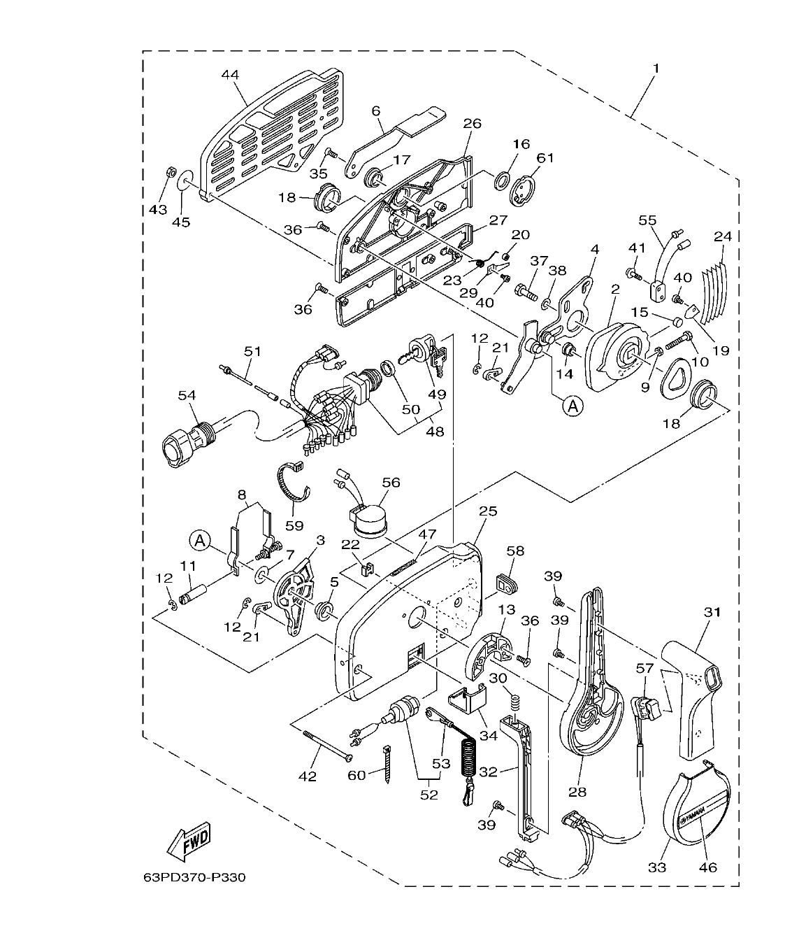
Section 35: REMOTE CONTROL ASSY 1 CONTROL REMOTO COMPL 1 (v2)

Model code: 6BNC
Section 35 β€” REMOTE CONTROL ASSY 1 CONTROL REMOTO COMPL 1
FL150FET'19
100%
FL150FET'19 – section 35 REMOTE CONTROL ASSY 1 CONTROL REMOTO COMPL 1 parts diagram
Diagram image Open full size
Parts list
Section 35
Ref Part No. / Description Qty Buy
1
703-48207-22
REMOTE CONTROL ASSY (10P, PTT)
AP EXCEPT CAR,NME WITH PT/T SW.
1
2
703-48232-00
.GEAR
1
3
703-48271-00
.ARM, SHIFT
1
4
703-48261-01
.ARM, THROTTLE
1
5
703-48235-00
.BUSHING
1
6
703-48152-10
.KNOB, FREE ACCEL.
1
7
703-48268-00
.SPACER
1
8
703-48264-00
.FRICTION, THROTTLE
1
9
95380-05600
.NUT
1
3.72 AED
πŸ”“ Unlock Discounts
Stock 19
10
97380-05025
.BOLT
1
11
703-48265-10
.SHAFT, FRICTION
1
12
93430-06024
.CIRCLIP
3
5.96 AED
πŸ”“ Unlock Discounts
Stock 11
13
703-48245-00
.PLATE, LOCK
1
27.56 AED
πŸ”“ Unlock Discounts
Stock 187
14
703-48252-00
.ROLLER, CAM
1
17.88 AED
πŸ”“ Unlock Discounts
Stock 77
15
701-48248-00
.ROLLER, FREE ACCEL.
1
16
703-48198-00
.WASHER, WAVE
1
17
703-48243-00
.BUSHING
1
5.21 AED
πŸ”“ Unlock Discounts
Stock 2 (Ask)
18
703-48236-00
.BUSHING
2
2.98 AED
πŸ”“ Unlock Discounts
Stock 5
19
703-48189-00
.RETAINER
1
20
703-48234-00
.ROLLER, DETENT
1
21
703-48345-01
.CABLE END, REMOTE CONTROL
2
20.86 AED
πŸ”“ Unlock Discounts
Stock 338
22
703-48358-00
.ANCHOR, CABLE
1
23
703-48244-00
.SPRING, FREE ACCEL.
1
24
703-48238-00
.SPRING, DETENT
5
25
703-48211-10
.HOUSING,1
1
26
703-48212-10
.BACK PLATE
1
27
703-48213-10
.BACK PLATE
1
28
703-48221-10
.LEVER, CONTROL
1
29
703-48246-00
.SPACER
1
30
703-48227-00
.SPRING, NEUTRAL LOCK
1
31
703-48222-20
.GRIP, CONTROL LEVER
SINGLE
1
32
703-48223-10
.LOCK, NEUTRAL
1
33
703-48225-10
.COVER
1
34
703-48219-10
.COVER, LEAD
1
35
703-48281-00
.SCREW
2
36
703-44189-20
.SCREW
7
37
97380-08030
.BOLT
1
38
92990-08600
.WASHER, PLATE
1
2.98 AED
πŸ”“ Unlock Discounts
Stock 31
39
703-48128-10
.SCREW
3
40
98580-04006
.SCREW, PAN HEAD
2
41
703-48129-00
.SCREW
2
42
703-44189-30
.SCREW
3
43
95380-06600
.NUT, HEXAGON
3
3.72 AED
πŸ”“ Unlock Discounts
Stock 3 (Ask)
44
703-48293-10
.SPACER, REMOTE CONTROL
SINGLE
1
45
701-48287-00
.WASHER
3
46
703-48215-10
.GRAPHIC
1
47
6X3-44191-00
.INDICATOR, SHIFT
1
48
703-82510-44
.MAIN SWITCH ASSY
1
49
703-82577-00
..CAP, KEY
1
50
6K1-82532-00
..CAP
1
51
703-82531-00
.WIRE, LEAD (L70)
1
52
688-82575-02
.ENGINE STOP SWITCH ASSY
1
185.48 AED
πŸ”“ Unlock Discounts
Stock 5
53
682-82556-00
..LANYARD, STOP SWITCH
1
50.65 AED
πŸ”“ Unlock Discounts
Stock 134
54
688-8258A-20
.EXTENSION, WIRE HARNESS (4.9M)
(10P)
1
733.38 AED
πŸ”“ Unlock Discounts
Stock 37
55
703-82540-00
.NEUTRAL SWITCH ASSY
1
54.38 AED
πŸ”“ Unlock Discounts
Stock 7
56
703-83383-11
.BUZZER
1
57
703-82563-21
.TRIM & TILT SWITCH ASSY
1
438.73 AED
πŸ”“ Unlock Discounts
Stock 5
58
703-48284-10
.GROMMET
1
59
703-82591-00
.BAND
1
60
703-82592-00
.BAND
1
61
703-48153-00
.SHAFT, FREE ACCEL.
1