F115TR-2009
Section 18: CONTROL (v2)
Engine sections in this catalog
TOP COWLING
FUEL 1
FUEL 2
GENERATOR
ELECTRICAL 1
ELECTRICAL 2
ELECTRICAL 3
STARTING MOTOR
BOTTOM COWLING
CONTROL
BRACKET 1
CYLINDER & CRANKCASE 1
BRACKET 2
POWER TRIM & TILT ASSY 1
POWER TRIM & TILT ASSY 2
UPPER CASING
OIL PAN
LOWER CASING & DRIVE 1
LOWER CASING & DRIVE 2
STEERING GUIDE
REPAIR KIT 1
REPAIR KIT 2
CRANKSHAFT & PISTON
CYLINDER & CRANKCASE 2
VALVE
INTAKE 1
INTAKE 2
FUEL INJECTION NOZZLE
FUEL INJECTION PUMP
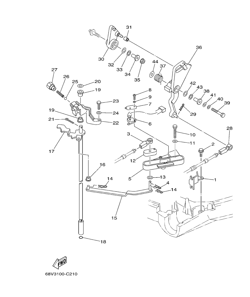
Diagram for section 18: CONTROL.
| Ref | Part No. | Qty | Buy |
|---|---|---|---|
| 2 |
648-42715-00
BUSHING
|
1 |
Price:
14.90 AED
In stock
(67 pcs)
|
| 2 |
67F-48538-00
CLAMP, CABLE 1
|
1 | Ask on WhatsApp |
| 3 |
663-48344-00
CABLE END, REMOTE CONTROL
|
1 | Ask on WhatsApp |
| 3 |
90109-06M86
BOLT
|
1 | Ask on WhatsApp |
| 4 |
663-48344-00
CABLE END, REMOTE CONTROL
|
1 | Ask on WhatsApp |
| 4 |
90468-18008
CLIP
|
1 |
Price:
4.47 AED
In stock
(35 pcs)
|
| 5 |
68V-42157-00
LEVER, THROTTLE
|
1 | Ask on WhatsApp |
| 5 |
90468-18008
CLIP
|
1 |
Price:
4.47 AED
In stock
(35 pcs)
|
| 6 |
68V-42171-00
BUSHING
|
1 | Ask on WhatsApp |
| 6 |
68V-44117-01
BRACKET
|
1 | Ask on WhatsApp |
| 7 |
60V-8259F-00
SWITCH ASSY
|
1 | Ask on WhatsApp |
| 7 |
90201-10M02
WASHER, PLATE
|
1 | Ask on WhatsApp |
| 8 |
61A-82588-01
PLATE
|
1 | Ask on WhatsApp |
| 8 |
90206-10M04
WASHER, WAVE
|
1 | Ask on WhatsApp |
| 9 |
90387-06M21
COLLAR
|
1 | Ask on WhatsApp |
| 9 |
97885-04016
SCREW, PAN HEAD
|
2 | Ask on WhatsApp |
| 10 |
90179-06M28
NUT
|
1 | Ask on WhatsApp |
| 10 |
92995-04100
WASHER
|
2 | Ask on WhatsApp |
| 11 |
68V-42154-00
LEVER, THROTTLE CONTROL
|
1 | Ask on WhatsApp |
| 11 |
97095-06040
BOLT
|
2 |
Price:
3.72 AED
In stock
(1 pcs)
|
| 12 |
67F-44135-00
SPRING
|
1 | Ask on WhatsApp |
| 12 |
92995-06600
WASHER
|
2 | Ask on WhatsApp |
| 13 |
68V-44122-01
BUSHING, SHIFT ROD LEVER
|
1 | Ask on WhatsApp |
| 13 |
90387-06M21
COLLAR
|
1 | Ask on WhatsApp |
| 14 |
90202-07M07
WASHER, PLATE
|
1 | Ask on WhatsApp |
| 14 |
97095-06035
BOLT
|
1 | Ask on WhatsApp |
| 15 |
90468-18008
CLIP
|
2 |
Price:
4.47 AED
In stock
(35 pcs)
|
| 15 |
92995-06100
WASHER, SPRING
|
1 |
Price:
2.98 AED
In stock
(8 pcs)
|
| 16 |
68V-44121-00
LEVER, SHIFT ROD
|
1 | Ask on WhatsApp |
| 16 |
92995-06600
WASHER
|
1 | Ask on WhatsApp |
| 17 |
90201-10M02
WASHER, PLATE
|
1 | Ask on WhatsApp |
| 17 |
90386-06M12
BUSH
|
1 | Ask on WhatsApp |
| 18 |
68V-44120-10
HANDLE GEAR SHIFT ASSY
|
1 | Ask on WhatsApp |
| 18 |
90206-10M04
WASHER, WAVE
|
1 | Ask on WhatsApp |
| 19 |
90201-06M31
WASHER, PLATE
|
1 | Ask on WhatsApp |
| 20 |
93210-09165
O-RING
|
1 | Ask on WhatsApp |
| 21 |
90386-90M90
BUSH
|
2 | Ask on WhatsApp |
| 22 |
90201-09M02
WASHER, PLATE
|
1 | Ask on WhatsApp |
| 23 |
91490-20015
PIN. COTTER
|
1 |
Price:
3.72 AED
In stock
(1 pcs)
|
| 24 |
68V-44118-00
BRACKET
|
1 | Ask on WhatsApp |
| 25 |
97075-06025
BOLT
|
2 | Ask on WhatsApp |
| 26 |
92995-06600
WASHER
|
2 | Ask on WhatsApp |
| 27 |
93501-04M02
BALL
|
1 | Ask on WhatsApp |
| 28 |
90501-12082
SPRING, COMPRESSION
|
1 |
Price:
3.72 AED
In stock
(65 pcs)
|