F115TR-2009
Section 15: ELECTRICAL 3 (v2)
Engine sections in this catalog
TOP COWLING
FUEL 1
FUEL 2
GENERATOR
ELECTRICAL 1
ELECTRICAL 2
ELECTRICAL 3
STARTING MOTOR
BOTTOM COWLING
CONTROL
BRACKET 1
CYLINDER & CRANKCASE 1
BRACKET 2
POWER TRIM & TILT ASSY 1
POWER TRIM & TILT ASSY 2
UPPER CASING
OIL PAN
LOWER CASING & DRIVE 1
LOWER CASING & DRIVE 2
STEERING GUIDE
REPAIR KIT 1
REPAIR KIT 2
CRANKSHAFT & PISTON
CYLINDER & CRANKCASE 2
VALVE
INTAKE 1
INTAKE 2
FUEL INJECTION NOZZLE
FUEL INJECTION PUMP
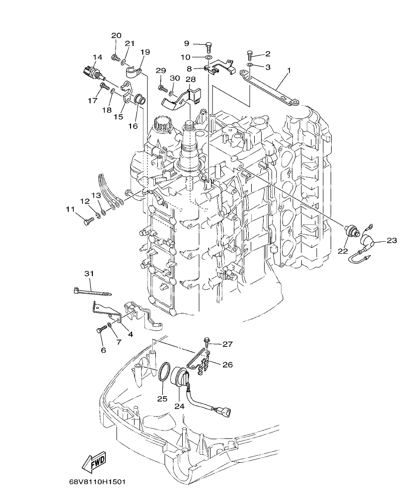
Diagram for section 15: ELECTRICAL 3.
| Ref | Part No. | Qty | Buy |
|---|---|---|---|
| 2 |
67F-8132G-01
PLATE
|
1 | Ask on WhatsApp |
| 2 |
6D8-8252H-00
PLATE, HOLDER
|
1 | Ask on WhatsApp |
| 3 |
97095-06012
BOLT
|
1 | Ask on WhatsApp |
| 3 |
97095-06016
BOLT
|
2 | Ask on WhatsApp |
| 4 |
92995-06600
WASHER
|
2 | Ask on WhatsApp |
| 4 |
92995-06600
WASHER
|
1 | Ask on WhatsApp |
| 5 |
68V-81528-00
CLAMP 1
|
1 | Ask on WhatsApp |
| 5 |
90465-13M18
CLAMP
|
1 | Ask on WhatsApp |
| 6 |
97095-06016
BOLT
|
2 | Ask on WhatsApp |
| 7 |
92995-06600
WASHER
|
2 | Ask on WhatsApp |
| 8 |
68V-82588-10
PLATE
|
1 | Ask on WhatsApp |
| 9 |
97095-06012
BOLT
|
1 | Ask on WhatsApp |
| 10 |
92995-06600
WASHER
|
1 | Ask on WhatsApp |
| 11 |
97095-06016
BOLT
|
1 | Ask on WhatsApp |
| 12 |
92995-06100
WASHER, SPRING
|
1 |
Price:
2.98 AED
In stock
(8 pcs)
|
| 13 |
92995-06600
WASHER
|
1 | Ask on WhatsApp |
| 14 |
67F-85790-00
THERMOSENSOR ASSY
|
1 | Ask on WhatsApp |
| 15 |
67F-85757-00
RETAINER
|
1 | Ask on WhatsApp |
| 16 |
68V-85753-00
GASKET, SENDER UNIT
|
1 | Ask on WhatsApp |
| 17 |
97095-06016
BOLT
|
2 | Ask on WhatsApp |
| 18 |
92995-06600
WASHER
|
2 | Ask on WhatsApp |
| 19 |
90465-06M86
CLAMP
|
1 | Ask on WhatsApp |
| 20 |
97095-06012
BOLT
|
1 | Ask on WhatsApp |
| 21 |
92995-06600
WASHER
|
1 | Ask on WhatsApp |
| 22 |
68V-82504-00
OIL PRESSURE SWITCH ASSY
|
1 | Ask on WhatsApp |
| 23 |
68V-81315-00
LEAD WIRE ASSY
|
1 | Ask on WhatsApp |
| 24 |
63D-82563-10
TRIM & TILT SWITCH ASSY
|
1 | Ask on WhatsApp |
| 25 |
6E5-82587-00
GASKET
|
1 | Ask on WhatsApp |
| 26 |
67F-83614-00
BRACKET
|
1 | Ask on WhatsApp |
| 27 |
90109-06M86
BOLT
|
2 | Ask on WhatsApp |