F115TR-2009
Section 6: INTAKE 1 (v2)
Engine sections in this catalog
TOP COWLING
FUEL 1
FUEL 2
GENERATOR
ELECTRICAL 1
ELECTRICAL 2
ELECTRICAL 3
STARTING MOTOR
BOTTOM COWLING
CONTROL
BRACKET 1
CYLINDER & CRANKCASE 1
BRACKET 2
POWER TRIM & TILT ASSY 1
POWER TRIM & TILT ASSY 2
UPPER CASING
OIL PAN
LOWER CASING & DRIVE 1
LOWER CASING & DRIVE 2
STEERING GUIDE
REPAIR KIT 1
REPAIR KIT 2
CRANKSHAFT & PISTON
CYLINDER & CRANKCASE 2
VALVE
INTAKE 1
INTAKE 2
FUEL INJECTION NOZZLE
FUEL INJECTION PUMP
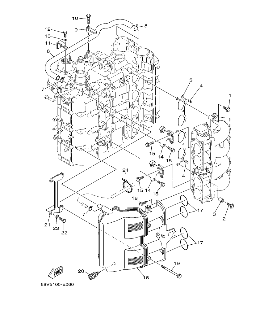
Diagram for section 6: INTAKE 1.
| Ref | Part No. | Qty | Buy |
|---|---|---|---|
| 2 |
97575-08540
BOLT, WITH WASHER
|
4 | Ask on WhatsApp |
| 3 |
90119-08M68
BOLT, WITH WASHER
|
1 | Ask on WhatsApp |
| 4 |
90387-08M32
COLLAR
|
1 | Ask on WhatsApp |
| 5 |
91690-50014
PIN, SPRING
|
2 | Ask on WhatsApp |
| 6 |
68V-13645-00
GASKET, MANIFOLD 1
|
1 | Ask on WhatsApp |
| 7 |
67F-15373-00
PIPE, BREATHER
|
1 | Ask on WhatsApp |
| 8 |
90465-11M10
CLAMP
|
2 | Ask on WhatsApp |
| 9 |
90467-20M15
CLIP
|
1 | Ask on WhatsApp |
| 10 |
6D8-82544-00
CLAMP
|
1 | Ask on WhatsApp |
| 11 |
95895-06025
BOLT, FLANGE
|
1 | Ask on WhatsApp |
| 12 |
90465-12M03
CLAMP
|
1 | Ask on WhatsApp |
| 13 |
97095-06012
BOLT
|
1 | Ask on WhatsApp |
| 14 |
92995-06600
WASHER
|
1 | Ask on WhatsApp |
| 15 |
68V-14291-00-94
BRACKET 1
|
2 | Ask on WhatsApp |
| 16 |
90119-06M49
BOLT, WITH WASHER
|
8 | Ask on WhatsApp |
| 17 |
68V-14440-00
SILENCER ASSY, INTAKE
|
1 | Ask on WhatsApp |
| 18 |
93210-48MJ9
O-RING
|
4 | Ask on WhatsApp |
| 19 |
90119-06M82
BOLT, WITH WASHER
|
6 | Ask on WhatsApp |
| 20 |
90119-06ME1
BOLT, WITH WASHER
|
2 | Ask on WhatsApp |
| 21 |
65L-85886-00
THERMOSENSOR
|
1 | Ask on WhatsApp |
| 22 |
68V-14292-00
BRACKET 2
|
1 | Ask on WhatsApp |
| 23 |
97095-08020
BOLT
|
2 |
Price:
5.15 AED
In stock
(1 pcs)
|
| 24 |
92995-08600
WASHER
|
2 | Ask on WhatsApp |
| 25 |
90465-13M18
CLAMP
|
1 | Ask on WhatsApp |