F115TR-2009
Section 10: FUEL 1 (v2)
Engine sections in this catalog
TOP COWLING
FUEL 1
FUEL 2
GENERATOR
ELECTRICAL 1
ELECTRICAL 2
ELECTRICAL 3
STARTING MOTOR
BOTTOM COWLING
CONTROL
BRACKET 1
CYLINDER & CRANKCASE 1
BRACKET 2
POWER TRIM & TILT ASSY 1
POWER TRIM & TILT ASSY 2
UPPER CASING
OIL PAN
LOWER CASING & DRIVE 1
LOWER CASING & DRIVE 2
STEERING GUIDE
REPAIR KIT 1
REPAIR KIT 2
CRANKSHAFT & PISTON
CYLINDER & CRANKCASE 2
VALVE
INTAKE 1
INTAKE 2
FUEL INJECTION NOZZLE
FUEL INJECTION PUMP
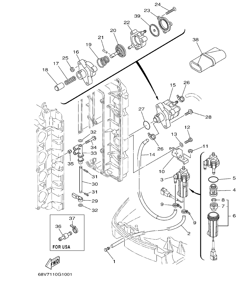
Diagram for section 10: FUEL 1.
| Ref | Part No. | Qty | Buy |
|---|---|---|---|
| 2 |
689-85547-00
DAMPER
|
1 | Ask on WhatsApp |
| 2 |
90119-06M83
BOLT, WITH WASHER
|
2 | Ask on WhatsApp |
| 3 |
67F-24575-00
LEVER, FUEL CHANGE
|
1 | Ask on WhatsApp |
| 3 |
90445-13M37
HOSE (L2300)
|
1 | Ask on WhatsApp |
| 4 |
68V-24495-00
SHAFT
|
1 | Ask on WhatsApp |
| 4 |
6D8-24560-00
FILTER ASSY
|
1 | Ask on WhatsApp |
| 5 |
6D8-24563-00
.ELEMENT, FILTER
|
1 | Ask on WhatsApp |
| 5 |
91609-25014
PIN, SPRING
|
2 | Ask on WhatsApp |
| 6 |
6D8-24564-00
.GASKET
|
1 | Ask on WhatsApp |
| 6 |
90201-08M12
WASHER, PLATE
|
2 | Ask on WhatsApp |
| 7 |
67F-24491-00
BRACKET, FUEL PUMP
|
1 | Ask on WhatsApp |
| 7 |
6D8-24562-00
.CUP, FILTER
|
1 | Ask on WhatsApp |
| 8 |
6D8-24469-00
..FLOAT, WATER LEVEL
|
1 | Ask on WhatsApp |
| 8 |
90119-07235
BOLT/WASHER-CAM CAPS
|
2 | Ask on WhatsApp |
| 9 |
6D8-24519-00
..CLIP
|
1 | Ask on WhatsApp |
| 9 |
91809-08006
PIN, DOWEL
|
2 | Ask on WhatsApp |
| 10 |
6R3-24377-10
PIPE, JOINT 2
|
1 | Ask on WhatsApp |
| 10 |
90465-11M10
CLAMP
|
2 | Ask on WhatsApp |
| 11 |
68V-24566-00
BRACKET, FILTER
|
1 | Ask on WhatsApp |
| 11 |
90465-11M10
CLAMP
|
1 | Ask on WhatsApp |
| 12 |
67F-28100-01
TOOL KIT
|
1 | Ask on WhatsApp |
| 12 |
95380-08600
NUT
|
1 |
Price:
13.41 AED
In stock
(1 pcs)
|
| 13 |
68V-24471-10
.DIAPHRAGM
|
1 | Ask on WhatsApp |
| 13 |
97095-06016
BOLT
|
1 | Ask on WhatsApp |
| 14 |
92995-06600
WASHER
|
1 | Ask on WhatsApp |
| 15 |
68V-24311-00
PIPE, FUEL 1
|
1 | Ask on WhatsApp |
| 16 |
68V-24410-00
FUEL PUMP ASSY
|
1 | Ask on WhatsApp |
| 17 |
68V-24412-00
.BODY 1
|
1 | Ask on WhatsApp |
| 18 |
68V-24454-00
.SPRING
|
1 | Ask on WhatsApp |
| 19 |
68V-13131-00
.PLUNGER
|
1 | Ask on WhatsApp |
| 20 |
68V-24423-00
.SPRING, DIAPHRAGM
|
1 | Ask on WhatsApp |
| 21 |
68V-24411-00
.DIAPHRAGM
|
1 | Ask on WhatsApp |
| 22 |
68V-24374-00
.PIN
|
1 | Ask on WhatsApp |
| 23 |
68V-24413-00
.BODY 2
|
1 | Ask on WhatsApp |
| 24 |
68V-24414-00
.BODY 3
|
1 | Ask on WhatsApp |
| 25 |
68V-24444-00
.SCREW
|
3 | Ask on WhatsApp |
| 26 |
68V-24149-00
.NUT
|
3 | Ask on WhatsApp |
| 27 |
90465-11M10
CLAMP
|
2 | Ask on WhatsApp |
| 28 |
93210-30682
O-RING
|
1 | Ask on WhatsApp |