90A’04
Section 9: ELECTRICAL (v2)
Engine sections in this catalog
TOP COWLING
STARTING MOTOR
BOTTOM COWLING
CONTROL
BRACKET 1
BRACKET 2
POWER TRIM & TILT ASSY
UPPER CASING
LOWER CASING & DRIVE 1
LOWER CASING & DRIVE 2
FUEL TANK
CYLINDER & CRANKCASE
STEERING GUIDE
REMOTE CONTROL BOX
REMOTE CONTROL ASSY
METER
REPAIR KIT 1
REPAIR KIT 2
CRANKSHAFT & PISTON
INTAKE
CARBURETOR
OIL PUMP
FUEL
GENERATOR
ELECTRICAL
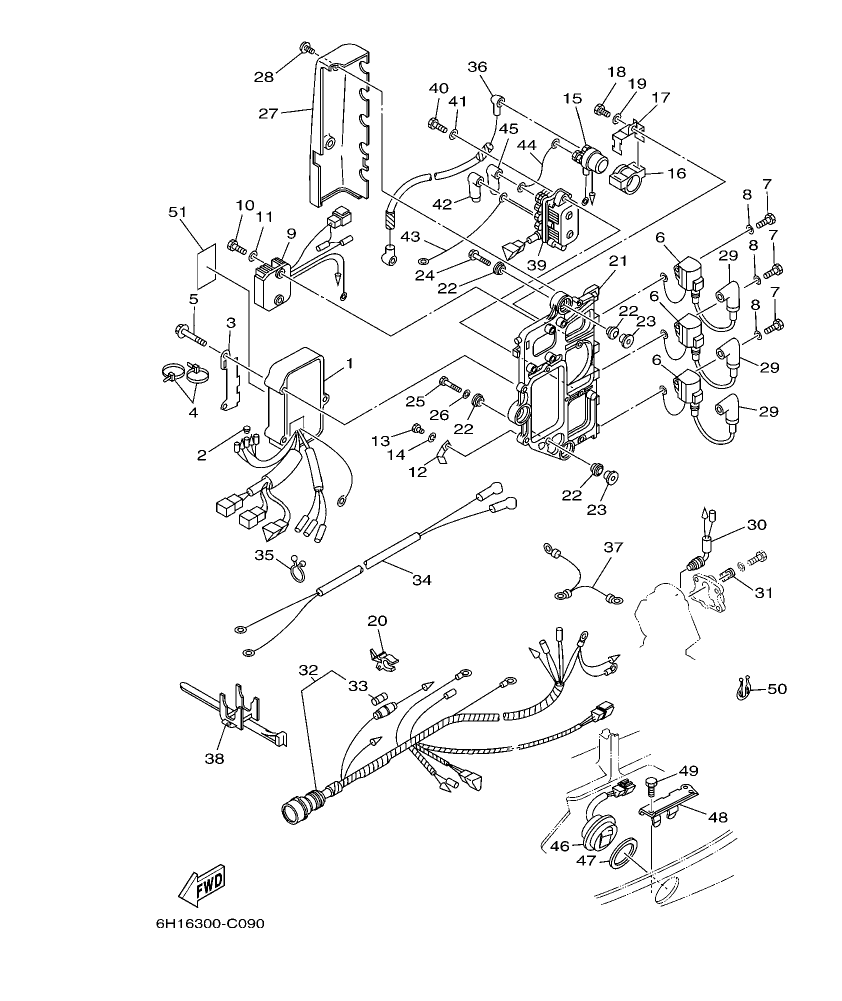
Diagram for section 9: ELECTRICAL.
| Ref | Part No. | Qty | Buy |
|---|---|---|---|
| 1 |
6H0–85540–06
C.D.I. UNIT ASSY
|
1 | Ask on WhatsApp |
| 1 |
6H0–85540–06
C.D.I. UNIT ASSY
|
1 | Ask on WhatsApp |
| 2 |
703–82119–00
COVER, LEAD WIRE
|
1 | Ask on WhatsApp |
| 2 |
703–82119–00
COVER, LEAD WIRE
|
1 | Ask on WhatsApp |
| 3 |
6H1–85542–10
BRACKET
|
1 | Ask on WhatsApp |
| 3 |
6H1–85542–10
BRACKET
|
1 | Ask on WhatsApp |
| 4 |
90465–13M11
CLAMP
|
2 | Ask on WhatsApp |
| 4 |
90465–13M11
CLAMP
|
2 | Ask on WhatsApp |
| 5 |
97595–06550
BOLT, WITH WASHER
|
3 | Ask on WhatsApp |
| 5 |
97595–06550
BOLT, WITH WASHER
|
3 | Ask on WhatsApp |
| 6 |
697–85570–00
IGNITION COIL ASSY
|
3 | Ask on WhatsApp |
| 6 |
697–85570–00
IGNITION COIL ASSY
|
3 | Ask on WhatsApp |
| 7 |
97013–06020
BOLT
|
3 | Ask on WhatsApp |
| 7 |
97013–06020
BOLT
|
3 | Ask on WhatsApp |
| 8 |
92903–06600
WASHER, PLATE
|
3 | Ask on WhatsApp |
| 8 |
92903–06600
WASHER, PLATE
|
3 | Ask on WhatsApp |
| 9 |
6H0–81960–10
RECTIFIER & REGULATOR ASSY
|
1 | Ask on WhatsApp |
| 9 |
6H0–81960–10
RECTIFIER & REGULATOR ASSY
|
1 | Ask on WhatsApp |
| 10 |
97095–06020
BOLT
|
2 | Ask on WhatsApp |
| 10 |
97095–06020
BOLT
|
2 | Ask on WhatsApp |
| 11 |
92995–06600
WASHER
|
2 | Ask on WhatsApp |
| 11 |
92995–06600
WASHER
|
2 | Ask on WhatsApp |
| 12 |
90465–08M23
CLAMP
|
1 | Ask on WhatsApp |
| 12 |
90465–08M23
CLAMP
|
1 | Ask on WhatsApp |
| 13 |
97095–06012
BOLT
|
1 | Ask on WhatsApp |
| 13 |
97095–06012
BOLT
|
1 | Ask on WhatsApp |
| 14 |
92995–06100
WASHER, SPRING
|
1 | Ask on WhatsApp |
| 14 |
92995–06100
WASHER, SPRING
|
1 | Ask on WhatsApp |
| 15 |
6G1–81941–10
STARTER RELAY ASSY
|
1 | Ask on WhatsApp |
| 15 |
6G1–81941–10
STARTER RELAY ASSY
|
1 | Ask on WhatsApp |
| 16 |
6G1–81952–00
HOLDER, RELAY
|
1 | Ask on WhatsApp |
| 16 |
6G1–81952–00
HOLDER, RELAY
|
1 | Ask on WhatsApp |
| 17 |
6E9–81945–70
PLATE, SWITCH FITTING
|
1 | Ask on WhatsApp |
| 17 |
6E9–81945–70
PLATE, SWITCH FITTING
|
1 | Ask on WhatsApp |
| 18 |
97013–06016
BOLT
|
1 | Ask on WhatsApp |
| 18 |
97013–06016
BOLT
|
1 | Ask on WhatsApp |
| 19 |
92903–06600
WASHER, PLATE
|
1 | Ask on WhatsApp |
| 19 |
92903–06600
WASHER, PLATE
|
1 | Ask on WhatsApp |
| 20 |
6G5–82152–00
HOLDER, FUSE
|
1 | Ask on WhatsApp |
| 20 |
6G5–82152–00
HOLDER, FUSE
|
1 | Ask on WhatsApp |
| 21 |
6H1–85542–00–94
BRACKET
|
1 | Ask on WhatsApp |
| 21 |
6H1–85542–00–94
BRACKET
|
1 | Ask on WhatsApp |
| 22 |
90480–09M25
GROMMET
|
6 | Ask on WhatsApp |
| 22 |
90480–09M25
GROMMET
|
6 | Ask on WhatsApp |
| 23 |
90387–06M03
COLLAR
|
3 | Ask on WhatsApp |
| 23 |
90387–06M03
COLLAR
|
3 | Ask on WhatsApp |
| 24 |
90119–06M75
BOLT, WITH WASHER
|
2 | Ask on WhatsApp |
| 24 |
90119–06M75
BOLT, WITH WASHER
|
2 | Ask on WhatsApp |
| 25 |
90109–06M39
BOLT
|
1 | Ask on WhatsApp |
| 25 |
90109–06M39
BOLT
|
1 | Ask on WhatsApp |
| 26 |
90201–06M31
WASHER, PLATE
|
1 | Ask on WhatsApp |
| 26 |
90201–06M31
WASHER, PLATE
|
1 | Ask on WhatsApp |
| 27 |
6H1–81916–00
COVER, TERMINAL
|
1 | Ask on WhatsApp |
| 27 |
6H1–81916–00
COVER, TERMINAL
|
1 | Ask on WhatsApp |
| 28 |
90159–06M11
SCREW, WITH WASHER
|
2 | Ask on WhatsApp |
| 28 |
90159–06M11
SCREW, WITH WASHER
|
2 | Ask on WhatsApp |
| 29 |
6E3–82370–21
PLUG CAP ASSY
|
3 | Ask on WhatsApp |
| 29 |
6E3–82370–21
PLUG CAP ASSY
|
3 | Ask on WhatsApp |
| 30 |
688–82560–10
THERMO SWITCH ASSY
|
1 | Ask on WhatsApp |
| 30 |
688–82560–10
THERMO SWITCH ASSY
|
1 | Ask on WhatsApp |
| 31 |
688–82588–01
PLATE
|
1 | Ask on WhatsApp |
| 31 |
688–82588–01
PLATE
|
1 | Ask on WhatsApp |
| 32 |
6H0–82590–12
WIRE HARNESS ASSY
|
1 | Ask on WhatsApp |
| 32 |
6H0–82590–12
WIRE HARNESS ASSY
|
1 | Ask on WhatsApp |
| 33 |
663–82151–00
.FUSE (12V-20A)
|
1 | Ask on WhatsApp |
| 33 |
663–82151–00
.FUSE (12V-20A)
|
1 | Ask on WhatsApp |
| 34 |
6H0–82105–02
WIRE HARNESS
|
1 | Ask on WhatsApp |
| 34 |
6H0–82105–02
WIRE HARNESS
|
1 | Ask on WhatsApp |
| 35 |
90464–23M22
CLAMP
|
1 | Ask on WhatsApp |
| 35 |
90464–23M22
CLAMP
|
1 | Ask on WhatsApp |
| 36 |
6H0–82117–00
WIRE, LEAD
|
1 | Ask on WhatsApp |
| 36 |
6H0–82117–00
WIRE, LEAD
|
1 | Ask on WhatsApp |
| 37 |
697–82519–00
WIRE, EARTH LEAD
|
1 | Ask on WhatsApp |
| 37 |
697–82519–00
WIRE, EARTH LEAD
|
1 | Ask on WhatsApp |
| 38 |
688–82594–00
CLAMP
|
1 | Ask on WhatsApp |
| 38 |
688–82594–00
CLAMP
|
1 | Ask on WhatsApp |
| 39 |
61A–81950–00
RELAY ASSY
|
1 | Ask on WhatsApp |
| 39 |
61A–81950–00
RELAY ASSY
|
1 | Ask on WhatsApp |
| 40 |
97095–06025
BOLT
|
2 | Ask on WhatsApp |
| 40 |
97095–06025
BOLT
|
2 | Ask on WhatsApp |
| 41 |
92995–06600
WASHER
|
2 | Ask on WhatsApp |
| 41 |
92995–06600
WASHER
|
2 | Ask on WhatsApp |
| 42 |
682–82119–01
COVER, LEAD WIRE
|
2 | Ask on WhatsApp |
| 42 |
682–82119–01
COVER, LEAD WIRE
|
2 | Ask on WhatsApp |
| 43 |
6H0–81949–10
WIRE, LEAD
|
1 | Ask on WhatsApp |
| 43 |
6H0–81949–10
WIRE, LEAD
|
1 | Ask on WhatsApp |
| 44 |
6H0–81949–01
WIRE, LEAD
|
1 | Ask on WhatsApp |
| 44 |
6H0–81949–01
WIRE, LEAD
|
1 | Ask on WhatsApp |
| 45 |
682–82119–01
COVER, LEAD WIRE
|
1 | Ask on WhatsApp |
| 45 |
682–82119–01
COVER, LEAD WIRE
|
1 | Ask on WhatsApp |
| 46 |
6H1–82563–10
TRIM & TILT SWITCH ASSY
|
1 | Ask on WhatsApp |
| 46 |
6H1–82563–10
TRIM & TILT SWITCH ASSY
|
1 | Ask on WhatsApp |
| 47 |
6E5–82587–00
GASKET
|
1 | Ask on WhatsApp |
| 47 |
6E5–82587–00
GASKET
|
1 | Ask on WhatsApp |
| 48 |
6H1–83614–00
BRACKET
|
1 | Ask on WhatsApp |
| 48 |
6H1–83614–00
BRACKET
|
1 | Ask on WhatsApp |
| 49 |
97095–06016
BOLT
|
1 | Ask on WhatsApp |
| 49 |
97095–06016
BOLT
|
1 | Ask on WhatsApp |
| 50 |
90464–18M14
CLAMP
|
1 | Ask on WhatsApp |
| 50 |
90464–18M14
CLAMP
|
1 | Ask on WhatsApp |
| 51 |
6R5–85711–60
MARK, CAUTION
|
1 | Ask on WhatsApp |
| 51 |
6R5–85711–60
MARK, CAUTION
|
1 | Ask on WhatsApp |