πŸŒ™ Ψ±Ω…ΨΆΨ§Ω† ΩƒΨ±ΩŠΩ… ✨
✨ Ramadan Working Hours: 9:00 AM – 3:00 PM ✨

MT09TRP

Section 35: FRONT MASTER CYLINDER (v2)

Model code: B562
Section 35 β€” FRONT MASTER CYLINDER
MT09TRP
100%
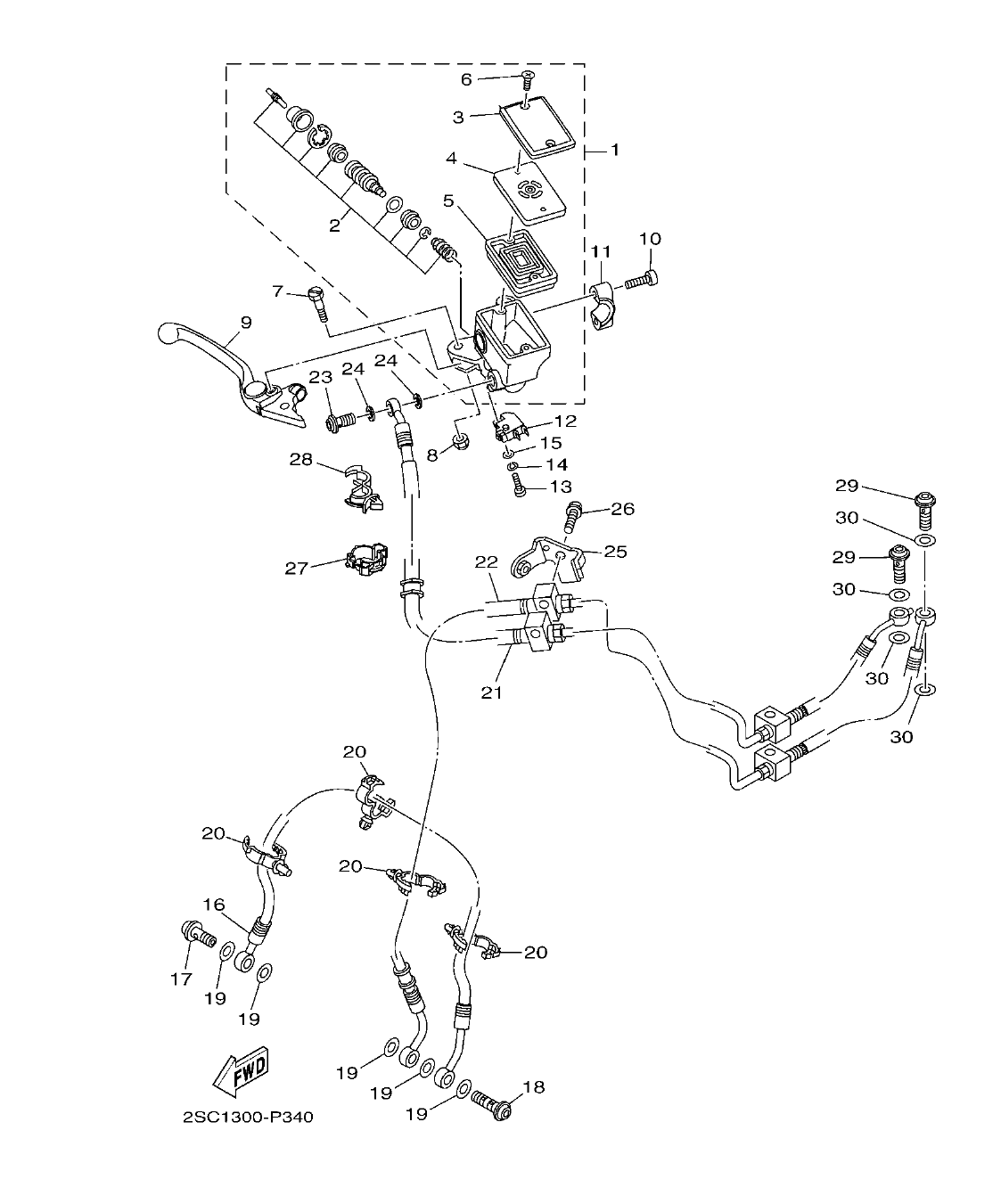
MT09TRP – section 35 FRONT MASTER CYLINDER parts diagram
Diagram image Open full size
Parts list
Section 35
Ref Part No. / Description Qty Buy
1
2DR-2580A-00
MASTER CYLINDER SUB ASSY 2
1
2
1MC-25807-00
.CYLINDER KIT, MASTER
1
3
5VS-25852-00
.CAP, RESERVOIR
1
19.37 AED
πŸ”“ Unlock Discounts
Stock 5
4
5VS-25855-00
.BUSH,DIAPHRAGM
1
5
20S-25854-00
.DIAPHRAGM, RESERVOIR
1
6
5VS-2589H-00
.SCREW
2
7
23P-2589F-10
BOLT, LEVER
1
8
95617-06100
NUT, U
1
4.47 AED
πŸ”“ Unlock Discounts
Stock 382
9
5VS-83922-00
LEVER 2
1
146.74 AED
πŸ”“ Unlock Discounts
Stock 18
10
5VS-26332-00
BOLT
2
11
5VS-25867-00
BRACKET, MASTER CYLINDER
1
77.47 AED
πŸ”“ Unlock Discounts
Stock 1 (Ask)
12
1HP-83980-01
FRONT STOP SWITCH ASSY
1
13
98502-04012
SCREW, PAN HEAD
1
14
92902-04100
WASHER, SPRING
1
15
92902-04600
WASHER, PLATE
1
16
2DR-25872-00
HOSE, BRAKE 1
1
17
90401-10172
BOLT, UNION
1
6.70 AED
πŸ”“ Unlock Discounts
Stock 3 (Ask)
18
90401-10042
BOLT, UNION
1
19
90430-10005
GASKET
5
20
90464-18002
CLAMP
4
13.41 AED
πŸ”“ Unlock Discounts
Stock 1 (Ask)
21
2SC-2584A-00
BRAKE HOSE ASSY
1
22
2DR-2584B-00
HOSE, BRAKE
1
23
90401-10172
BOLT, UNION
1
6.70 AED
πŸ”“ Unlock Discounts
Stock 3 (Ask)
24
90430-10005
GASKET
2
25
2DR-85132-00
BRACKET, REFLECTOR 1
1
26
90105-06192
BOLT, FLANGE
1
27
90464-12013
CLAMP
1
28
90464-18246
CLAMP
1
29
90401-10172
BOLT, UNION
2
6.70 AED
πŸ”“ Unlock Discounts
Stock 3 (Ask)
30
90430-10005
GASKET
4