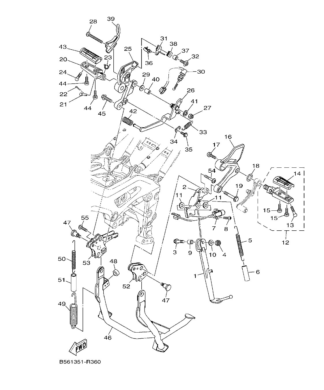
MT09TRP
Section 36: STAND & FOOTREST (v2)
Model code: B562
Parts list
Section 36
| Ref | Part No. / Description | Qty | Buy |
|---|---|---|---|
| 1 |
B56-27311-00
STAND, SIDE
|
1 | |
| 2 |
B56-27321-00
BRACKET, SIDE STAND
|
1 | |
| 3 |
90105-10188
BOLT, FLANGE
|
1 | |
| 4 |
95612-10100
NUT, U
|
1 | |
| 5 |
90506-20032
SPRING, TENSION
|
1 | |
| 6 |
90445-197J2
HOSE (L60)
|
1 | |
| 7 |
1RC-82566-50
SWITCH, SIDE STAND
|
1 | |
| 8 |
90111-05036
BOLT,HEX. SOCKET BUTTON
|
2 | |
| 9 |
90387-10050
COLLAR
|
1 | |
| 10 |
90201-10035
WASHER, PLATE
|
1 | |
| 11 |
90201-17018
WASHER, PLATE
|
2 | |
| 12 |
B56-27410-00
FRONT FOOTREST ASSY (LEFT)
|
1 | |
| 13 |
90109-08231
.BOLT
|
1 | |
| 14 |
3YX-27413-00
.COVER, FOOTREST
|
1 |
32.03 AED
Check price & stock on WhatsApp
|
| 15 |
90157-05079
.SCREW, PAN HEAD
|
2 | |
| 16 |
1RC-27442-00
BRACKET 2
|
1 | |
| 17 |
90111-10039
BOLT,HEX. SOCKET BUTTON
|
1 | |
| 18 |
90206-17084
WASHER, WAVE
|
1 | |
| 19 |
90105-10435
BOLT, FLANGE
|
1 | |
| 20 |
4BH-27461-01
FOOTREST
|
1 | |
| 21 |
91701-08040
PIN
|
1 | |
| 22 |
91402-25015
PIN, COTTER
|
1 | |
| 23 |
90508-20572
SPRING, TORSION
|
1 |
7.45 AED
Check price & stock on WhatsApp
|
| 24 |
90109-08231
BOLT
|
1 | |
| 25 |
1RC-27443-00
BRACKET 3
|
1 | |
| 26 |
2PP-27211-00
PEDAL, BRAKE
|
1 | |
| 27 |
90185-08089
NUT, SELF-LOCKING
|
1 | |
| 28 |
90111-08028
BOLT,HEX. SOCKET BUTTON
|
1 | |
| 29 |
90201-08103
WASHER, PLATE
|
1 | |
| 30 |
1RC-82530-00
STOP SWITCH ASSY
|
1 | |
| 31 |
1RC-2144G-00
STAY, STOP SWITCH
|
1 | |
| 32 |
90159-06150
SCREW, WITH WASHER
|
1 | |
| 33 |
90506-23008
SPRING, TENSION
|
1 | |
| 34 |
1RC-27432-00
BRACKET 1
|
1 | |
| 35 |
95802-06010
BOLT, FLANGE
|
1 | |
| 36 |
90464-15157
CLAMP
|
1 |
5.21 AED
Check price & stock on WhatsApp
|
| 37 |
90387-06M16
COLLAR
|
1 | |
| 38 |
90480-12607
GROMMET
|
1 | |
| 39 |
1RC-27267-00
GUIDE, WIRE
|
1 | |
| 40 |
90387-08102
COLLAR
|
1 | |
| 41 |
90201-08048
WASHER, PLATE
|
1 |
5.21 AED
Check price & stock on WhatsApp
|
| 42 |
5EB-18113-00
COVER, SHIFT PEDAL
|
1 |
16.39 AED
Check price & stock on WhatsApp
|
| 43 |
3YX-27413-00
COVER, FOOTREST
|
1 |
32.03 AED
Check price & stock on WhatsApp
|
| 44 |
90157-05079
SCREW, PAN HEAD
|
2 | |
| 45 |
90105-10246
BOLT, FLANGE
|
1 | |
| 46 |
B56-27111-00
STAND, MAIN
|
1 | |
| 47 |
90109-10060
BOLT
|
2 | |
| 48 |
36C-27114-00
STOPPER, MAIN STAND
|
1 | |
| 49 |
2PP-27116-00
SPRING, MAIN STAND
|
1 | |
| 50 |
2PP-27116-10
SPRING, MAIN STAND
|
1 | |
| 51 |
90445-19003
HOSE
|
1 | |
| 52 |
2PP-27151-00
BRACKET, MAIN STAND
|
1 | |
| 53 |
2PP-27152-00
BRACKET, MAIN STAND 2
|
1 | |
| 54 |
92012-06040
BOLT, BUTTON HEAD
|
1 | |
| 55 |
92012-06030
BOLT, BUTTON HEAD
|
1 |