πŸŒ™ Ψ±Ω…ΨΆΨ§Ω† ΩƒΨ±ΩŠΩ… ✨
✨ Ramadan Working Hours: 9:00 AM – 3:00 PM ✨

F50DET'04

Section 13: ELECTRICAL 3 EQUIPO ELECTRICO 3 (v2)

Model code: 60A4
Section 13 β€” ELECTRICAL 3 EQUIPO ELECTRICO 3
F50DET'04
100%
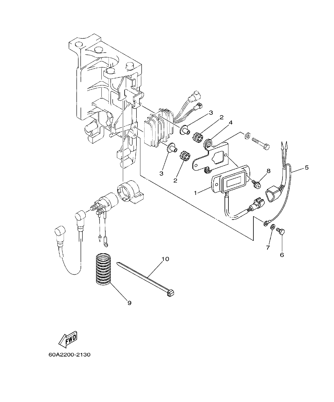
F50DET'04 – section 13 ELECTRICAL 3 EQUIPO ELECTRICO 3 parts diagram
Diagram image Open full size
Parts list
Section 13
Ref Part No. / Description Qty Buy
1
6Y5-83504-20
HOUR METER ASSY
1
2
64J-85516-00
SPACER
2
3
69M-42758-00
COLLAR
2
4
64J-83519-00
BRACKET, METER
1
5
64J-82553-00
EXTENSION, WIRE LEAD
1
6
97095-06012
BOLT
1
7
92995-06600
WASHER
1
8
90159-05M13
SCREW, WITH WASHER
2
9
6K3-83557-00
TUBE
1
10
90465-13M24
CLAMP
1