πŸŒ™ Ψ±Ω…ΨΆΨ§Ω† ΩƒΨ±ΩŠΩ… ✨
✨ Ramadan Working Hours: 9:00 AM – 3:00 PM ✨

F50DET'04

Section 31: REPAIR KIT 2 ESTUCHE REPARATION 2 (v2)

Model code: 60A4
Section 31 β€” REPAIR KIT 2 ESTUCHE REPARATION 2
F50DET'04
100%
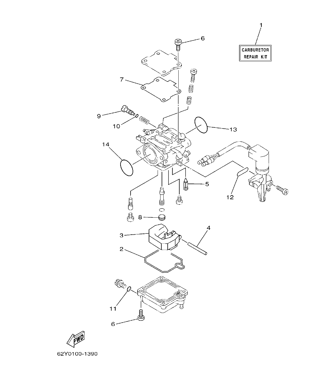
F50DET'04 – section 31 REPAIR KIT 2 ESTUCHE REPARATION 2 parts diagram
Diagram image Open full size
Parts list
Section 31
Ref Part No. / Description Qty Buy
1
62Y-W0093-10
CARBURETOR REPAIR KIT
1
2
62Y-14384-30
.GASKET, FLOAT CHAMBER
1
3
6L2-14385-00
.FLOAT
1
68.53 AED
πŸ”“ Unlock Discounts
Stock 26
4
6E5-14386-01
.PIN, FLOAT
1
6.70 AED
πŸ”“ Unlock Discounts
Stock 44
5
62Y-14392-00
.VALVE, NEEDLE
1
77.47 AED
πŸ”“ Unlock Discounts
Stock 72
6
62Y-14321-00
.SCREW, THROTTLE
8
7
62Y-14399-30
.GASKET
1
8
62Y-14355-30
.PLUG
1
9
62Y-14323-30
.SCREW, AIR ADJUSTING
1
10
2T4-14397-00
.O-RING
1
11
652-14397-00
.O-RING
1
12
62Y-14398-30
.GASKET
1
15.64 AED
πŸ”“ Unlock Discounts
Stock 2 (Ask)
13
93210-30MH4
.O-RING
4
5.96 AED
πŸ”“ Unlock Discounts
Stock 3 (Ask)
14
93210-35M86
.O-RING
4
3.72 AED
πŸ”“ Unlock Discounts
Stock 14