F50DET'04

Section 18: BRACKET 2 SOPORTE 2 (v2)

Model code: 60A4
Section 18 β€” BRACKET 2 SOPORTE 2
F50DET'04
100%
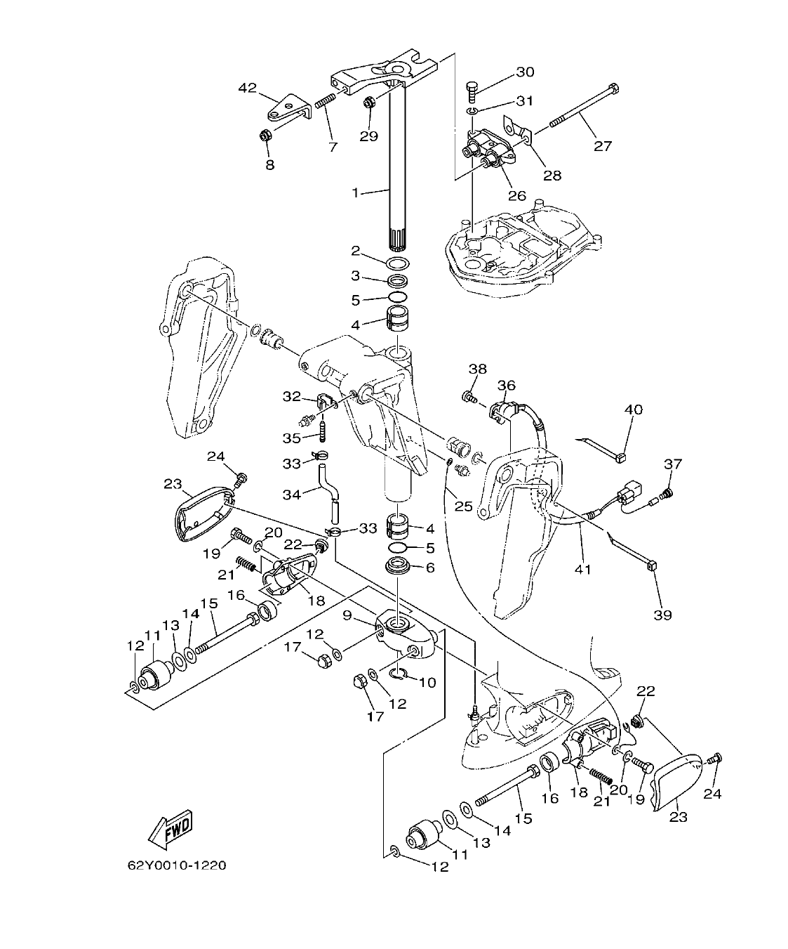
F50DET'04 – section 18 BRACKET 2 SOPORTE 2 parts diagram
Diagram image Open full size
Parts list
Section 18
Ref Part No. / Description Qty Buy
1
63D-42510-12-4D
STEERING BRACKET ASSY
1
2
90201-30M00
WASHER, PLATE
1
10.43 AED
πŸ”“ Unlock Discounts
Stock 221
3
90386-30M78
BUSH
1
5.96 AED
πŸ”“ Unlock Discounts
Stock 146
4
90386-30M77
BUSH
2
22.35 AED
πŸ”“ Unlock Discounts
Stock 62
5
93210-29M94
O-RING
2
4.47 AED
πŸ”“ Unlock Discounts
Stock 345
6
90386-30M60
BUSH
1
5.96 AED
πŸ”“ Unlock Discounts
Stock 190
7
90116-10175
BOLT, STUD
2
8
90185-10051
NUT, SELF-LOCKING
2
9
663-44551-02-4D
HOUSING, LOWER MOUNT RUBBER
1
10
93410-28M06
CIRCLIP
1
20.86 AED
πŸ”“ Unlock Discounts
Stock 113
11
62Y-44555-00-94
MOUNT DAMPER, LOWER SIDE
2
12
90201-12M16
WASHER, PLATE
4
5.21 AED
πŸ”“ Unlock Discounts
Stock 4 (Ask)
13
90202-21100
WASHER, PLATE
2
14
90201-13M19
WASHER, PLATE
2
14.15 AED
πŸ”“ Unlock Discounts
Stock 3 (Ask)
15
90109-12261
BOLT
2
46.18 AED
πŸ”“ Unlock Discounts
Stock 158
16
663-44575-00
DAMPER, LOWER MOUNT RUBBER
2
17
95380-12800
NUT, CROWN
2
8.19 AED
πŸ”“ Unlock Discounts
Stock 16
18
663-44552-01-94
HOUSING, LOWER MOUNT RUBBER
2
19
97075-08025
BOLT
4
20
92995-08100
WASHER
4
21
90501-14M08
SPRING, COMPRESSION
4
22
90179-06066
NUT
2
23
62Y-44553-01-4D
COVER, LOWER MOUNT
2
24
97885-06016
SCREW, PAN HEAD
2
2.98 AED
πŸ”“ Unlock Discounts
Stock 12
25
697-82127-01
WIRE, LEAD 2
1
26
67C-44514-00-4D
MOUNT DAMPER, UPPER SIDE
1
27
90101-08M15
BOLT
2
28
66T-44526-30
PLATE
1
29
90185-08045
NUT, SELF-LOCKING
2
30
97075-08030
BOLT
3
31
92995-08100
WASHER
3
32
90465-06M86
CLAMP
1
33
90465-11M10
CLAMP
2
34
90445-07MF1
HOSE (L570)
1
35
6E5-83558-00
END, NIPPLE
1
36
63D-83672-01
TRIM SENDER
1
37
703-82119-00
COVER, LEAD WIRE
1
38
97885-06016
SCREW, PAN HEAD
2
2.98 AED
πŸ”“ Unlock Discounts
Stock 12
39
90465-13M18
CLAMP
1
40
90465-11M10
CLAMP
1
41
90446-17M91
HOSE
1
42
63D-48511-00-4D
HOOK, STEERING
STEERING GUIDE
1