F50DET'04
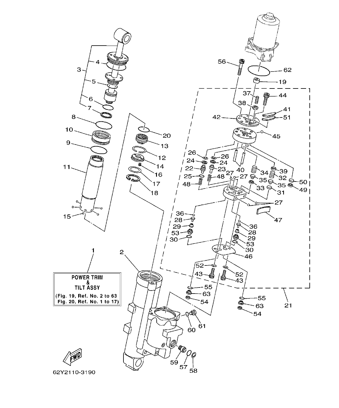
Section 19: POWER TRIM & TILT ASSY 1 COMPONER Y PODER VARILLA 1 (v2)
Model code: 60A4
Section 19 β POWER TRIM & TILT ASSY 1 COMPONER Y PODER VARILLA 1
F50DET'04
100%
Diagram image
Open full size
Parts list
Section 19
| Ref | Part No. / Description | Qty | Buy |
|---|---|---|---|
| 1 |
62Y-43800-01-4D
POWER TRIM & TILT ASSY
|
1 | |
| 2 |
62Y-4380K-01
CYLINDER, TILT SUB ASSY
|
1 | |
| 3 |
62X-43810-01
TILT PISTON SUB ASSY
|
1 | |
| 4 |
62X-43861-00
.O-RING
|
1 |
12.85 AED
Check price & stock on WhatsApp
|
| 5 |
62X-43862-00
.O-RING
|
1 | |
| 6 |
93210-29375
.O-RING
|
1 | |
| 7 |
62X-43871-00
.RING, BACK UP
|
1 | |
| 8 |
93210-44383
O-RING
|
1 | |
| 9 |
93210-48214
O-RING
|
1 | |
| 10 |
62X-4388A-00
PISTON, TRIM
|
1 | |
| 11 |
62Y-22471-00
CYLINDER, SHOCK ABSORBER
|
1 | |
| 12 |
67F-43875-00
RING, SNAP
|
1 | |
| 13 |
69W-4381B-00
FREE PISTON SUB ASSY
|
1 | |
| 14 |
62X-43899-00
PLATE STOPPER
|
1 | |
| 15 |
93503-16003
BALL
|
6 | |
| 16 |
62X-4384H-00
SPRING
|
2 | |
| 17 |
1UF-22434-00
PLATE, VALVE 1
|
1 | |
| 18 |
62X-43875-00
RING, SNAP
|
1 | |
| 19 |
6H1-43831-10
CONNECTOR, SHAFT
|
1 | |
| 20 |
93210-29375
O-RING
|
1 | |
| 21 |
62Y-43830-01
GEAR PUMP ASSY
|
1 | |
| 22 |
69J-43841-00
.PISTON, SHUTTLE
|
1 | |
| 23 |
69J-4384M-00
.PISTON, SHUTTLE 2
|
1 | |
| 24 |
69A-4384F-00
.SEAL, MAIN VALVE
|
2 | |
| 25 |
6H1-43883-00
.O-RING
|
1 | |
| 26 |
99001-03600
.CIRCLIP
|
2 | |
| 27 |
93505-32038
.BALL
|
4 | |
| 28 |
65W-4386A-00
.PIN, ABSORBER VALVE
|
2 | |
| 29 |
69J-43853-00
.SPRING, MAIN VALVE
|
2 | |
| 30 |
69J-4389J-00
.O-RING
|
2 | |
| 31 |
6H1-4384G-11
.SEAL, RELIEF VALVE
|
1 |
29.80 AED
Check price & stock on WhatsApp
|
| 32 |
62Y-43855-00
.SPRING, UP RELIEF
|
1 | |
| 33 |
6H1-4384F-10
.SEAL, MAIN VALVE
|
1 | |
| 34 |
6H1-43856-10
.SPRING, DOWN RELIEF
|
1 |
6.62 AED
Check price & stock on WhatsApp
|
| 35 |
6H1-43844-10
.PIN, VALVE SUPPORT
|
2 |
26.49 AED
Check price & stock on WhatsApp
|
| 36 |
93505-32038
.BALL
|
2 | |
| 37 |
92A08-03110
.SCREW SET
|
1 | |
| 38 |
95307-03600
.NUT
|
1 | |
| 39 |
62Y-4382A-00
.ADAPTOR 1
|
1 | |
| 40 |
93604-26256
.PIN, DOWEL
|
2 | |
| 41 |
62Y-43816-00
.FILTER 1
|
1 | |
| 42 |
62Y-4382L-00
.CAP, RELIEF VALVE
|
1 | |
| 43 |
91318-05020
.BOLT
|
2 | |
| 44 |
91318-05008
.BOLT
|
2 | |
| 45 |
93501-08001
.BALL
|
1 | |
| 46 |
69W-4384G-00
.SEAL, RELIEF VALVE
|
1 | |
| 47 |
62Y-43854-00
.SPRING, MANUAL RELEASE
|
1 | |
| 48 |
69J-43894-00
.SPRING, SHUTTLE RETURN
|
2 | |
| 49 |
62Y-4387J-00
.WASHER, SPECIAL 2
|
1 | |
| 50 |
62Y-22434-00
.PLATE, VALVE 1
|
1 | |
| 51 |
62Y-43871-00
.RING, BACK UP
|
1 | |
| 52 |
62Y-4387G-00
.WASHER
|
2 | |
| 53 |
69J-43893-00
.WASHER
|
2 | |
| 54 |
6H1-43816-00
FILTER 1
|
2 | |
| 55 |
69J-4389J-00
O-RING
|
2 | |
| 56 |
91318-06040
BOLT
|
3 | |
| 57 |
93210-18397
O-RING
|
1 | |
| 58 |
6H1-43875-00
RING, SNAP
|
1 | |
| 59 |
62Y-43845-00
SCREW, MANUAL RELEASE
|
1 | |
| 60 |
93210-09165
O-RING
|
1 | |
| 61 |
6H1-43829-00
PLUG, RESERVOIR
|
1 | |
| 62 |
62X-43865-00
O-RING
|
1 | |
| 63 |
69W-43899-01
PLATE STOPPER
|
2 |