FJR1300AP
Section 35: STEERING HANDLE & CABLE (v2)
Model code: 2BC2
Parts list
Section 35
| Ref | Part No. / Description | Qty | Buy |
|---|---|---|---|
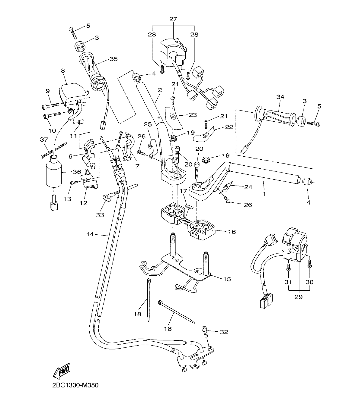
| 1 |
1MC-26121-00
HANDLEBAR (LEFT)
|
1 | |
| 2 |
2BC-26122-00
HANDLEBAR (RIGHT)
|
1 | |
| 3 |
4XV-26246-10
END, GRIP
|
2 | |
| 4 |
4XV-23434-00
HOLDER, DAMPER
|
2 | |
| 5 |
91317-06025
BOLT
|
2 |
2.98 AED
Check price & stock on WhatsApp
|
| 6 |
2D2-26281-01
CAP, GRIP UPPER
|
1 | |
| 7 |
2D2-26282-01
CAP, GRIP UNDER
|
1 | |
| 8 |
2BC-8259F-00
SWITCH ASSY
|
1 | |
| 9 |
91317-05050
BOLT
|
1 | |
| 10 |
91317-05045
BOLT
|
1 | |
| 11 |
90387-05020
COLLAR
|
1 | |
| 12 |
2D2-2622K-00
PROTECTOR 1
|
1 | |
| 13 |
90154-03001
SCREW, BINDING
|
1 | |
| 14 |
2BC-26302-00
THROTTLE CABLE ASSY
|
1 | |
| 15 |
2BC-26169-00
ADJUSTER
|
1 | |
| 16 |
2BC-26021-00
SPACER
|
1 | |
| 17 |
4XV-2341B-00
EMBLEM
|
1 | |
| 18 |
90464-32060
CLAMP
|
2 | |
| 19 |
95702-12500
NUT, FLANGE
|
2 | |
| 20 |
91312-08050
BOLT
|
2 | |
| 21 |
90111-04006
BOLT,HEX. SOCKET BUTTON
|
2 | |
| 22 |
3P6-26143-10
COVER, HANDLE UPPER 1
|
1 | |
| 23 |
3P6-26145-10
COVER, HAND UPPER 2
|
1 | |
| 24 |
3P6-26144-10
COVER, HANDLEBAR LOWER 1
|
1 | |
| 25 |
3P6-26146-10
COVER, HANDLEBAR LOWER 2
|
1 | |
| 26 |
98507-05010
SCREW, PAN HEAD
|
4 | |
| 27 |
2BC-83963-00
SWITCH, HANDLE 3
|
1 | |
| 28 |
98507-05045
.SCREW, PAN HEAD
|
2 | |
| 29 |
1MC-83954-00
SWITCH, HANDLE 7
|
1 | |
| 30 |
98507-05055
.SCREW, PAN HEAD
|
1 | |
| 31 |
98507-05040
.SCREW, PAN HEAD
|
1 | |
| 32 |
90110-05032
BOLT, HEXAGON SOCKET HEAD
|
2 | |
| 33 |
90465-10098
CLAMP
|
1 | |
| 34 |
1MC-82963-00
GRIP, WARMER (LEFT)
|
1 | |
| 35 |
1MC-82960-00
GRIP, WARMER
|
1 | |
| 36 |
538-82599-10
COVER, CONNECTER
|
1 | |
| 37 |
437-83936-01
BAND, SWITCH CORD
|
1 |