F100BET
Section 9: CARBURETOR 2 (v2)
Engine sections in this catalog
SCHEDULED SERVICE PARTS
FUEL 1
FUEL 2
GENERATOR
ELECTRICAL 1
ELECTRICAL 2
ELECTRICAL 3
STARTING MOTOR
BOTTOM COWLING
CONTROL
BRACKET 1
TOP COWLING
BRACKET 2
POWER TRIM & TILT ASSY 1
POWER TRIM & TILT ASSY 2
UPPER CASING
OIL PAN
LOWER CASING & DRIVE 1
LOWER CASING & DRIVE 2
STEERING GUIDE
REMOTE CONTROL BOX
REMOTE CONTROL ASSY
CYLINDER & CRANKCASE 1
METER
OPTIONAL PARTS 1
OPTIONAL PARTS 2
REPAIR KIT 1
REPAIR KIT 2
REPAIR KIT 3
CRANKSHAFT & PISTON
CYLINDER & CRANKCASE 2
VALVE
INTAKE
CARBURETOR 1
CARBURETOR 2
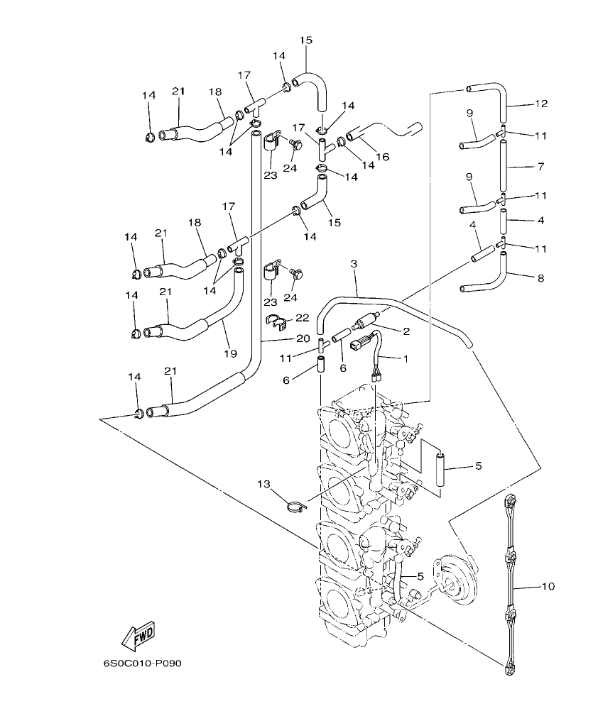
Diagram for section 9: CARBURETOR 2.
| Ref | Part No. | Qty | Buy |
|---|---|---|---|
| 1 |
67Fβ1412Aβ00
WIRE HARNESS ASSY
|
1 | Ask on WhatsApp |
| 2 |
67Fβ13183β00
VALVE, CHECK
|
1 | Ask on WhatsApp |
| 3 |
67Fβ14349β00
PIPE
|
1 | Ask on WhatsApp |
| 4 |
67Fβ14349β10
PIPE
|
2 | Ask on WhatsApp |
| 5 |
67Fβ14349β20
PIPE
|
2 | Ask on WhatsApp |
| 6 |
67Fβ14349β30
PIPE
|
2 | Ask on WhatsApp |
| 7 |
67Fβ14349β40
PIPE
|
1 | Ask on WhatsApp |
| 8 |
67Fβ14349β50
PIPE
|
1 | Ask on WhatsApp |
| 9 |
67Fβ14349β60
PIPE
|
2 | Ask on WhatsApp |
| 10 |
67Fβ14585β00
ROD, CHOKE
|
1 | Ask on WhatsApp |
| 11 |
67Fβ14189β00
CONNECTOR
|
4 | Ask on WhatsApp |
| 12 |
67Fβ14349β70
PIPE
|
1 | Ask on WhatsApp |
| 13 |
90465β11M59
CLAMP
|
1 | Ask on WhatsApp |
| 14 |
3TJβ14937β40
CLIP
|
13 | Ask on WhatsApp |
| 15 |
60Cβ14294β00
HOSE
|
2 | Ask on WhatsApp |
| 16 |
60Cβ14298β00
PIPE
|
1 | Ask on WhatsApp |
| 17 |
688β24378β00
PIPE, JOINT 3
|
3 | Ask on WhatsApp |
| 18 |
90445β10M16
HOSE (L120)
|
2 | Ask on WhatsApp |
| 19 |
90445β10MG6
HOSE (L180)
|
1 | Ask on WhatsApp |
| 20 |
90445β10MG7
HOSE (L350)
|
1 | Ask on WhatsApp |
| 21 |
90445β16M07
HOSE (L80)
|
4 | Ask on WhatsApp |
| 22 |
90464β10M57
CLAMP
|
1 | Ask on WhatsApp |
| 23 |
90465β08M83
CLAMP
|
2 | Ask on WhatsApp |
| 24 |
97E95β06512
BOLT, HEXAGON W/W DEEP RECESS
|
2 | Ask on WhatsApp |