F100BET
Section 34: REPAIR KIT 2 (v2)
Engine sections in this catalog
SCHEDULED SERVICE PARTS
FUEL 1
FUEL 2
GENERATOR
ELECTRICAL 1
ELECTRICAL 2
ELECTRICAL 3
STARTING MOTOR
BOTTOM COWLING
CONTROL
BRACKET 1
TOP COWLING
BRACKET 2
POWER TRIM & TILT ASSY 1
POWER TRIM & TILT ASSY 2
UPPER CASING
OIL PAN
LOWER CASING & DRIVE 1
LOWER CASING & DRIVE 2
STEERING GUIDE
REMOTE CONTROL BOX
REMOTE CONTROL ASSY
CYLINDER & CRANKCASE 1
METER
OPTIONAL PARTS 1
OPTIONAL PARTS 2
REPAIR KIT 1
REPAIR KIT 2
REPAIR KIT 3
CRANKSHAFT & PISTON
CYLINDER & CRANKCASE 2
VALVE
INTAKE
CARBURETOR 1
CARBURETOR 2
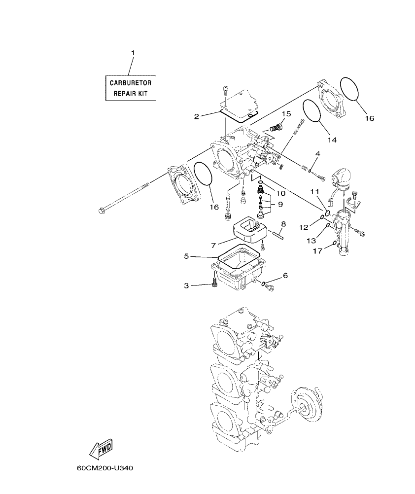
Diagram for section 34: REPAIR KIT 2.
| Ref | Part No. | Qty | Buy |
|---|---|---|---|
| 1 |
67FβW0093β03
CARBURETOR REPAIR KIT
|
1 | Ask on WhatsApp |
| 2 |
67Fβ14147β00
.GASKET
|
1 | Ask on WhatsApp |
| 3 |
97980β04114
.SCREW, WITH WASHER
|
4 | Ask on WhatsApp |
| 4 |
67Fβ14397β00
.O-RING
|
1 | Ask on WhatsApp |
| 5 |
67Fβ14984β00
.GASKET, FLOAT CHAMBER
|
1 | Ask on WhatsApp |
| 6 |
93210β04230
.O-RING
|
1 | Ask on WhatsApp |
| 7 |
6H4β14985β01
.FLOAT
|
1 | Ask on WhatsApp |
| 8 |
6H4β14548β00
.PIN, FLOAT ARM
|
1 | Ask on WhatsApp |
| 9 |
60Cβ14590β03
.NEEDLE VALVE ASSY
|
1 | Ask on WhatsApp |
| 10 |
93210β04228
.O-RING
|
1 | Ask on WhatsApp |
| 11 |
67Fβ14398β00
.O-RING
|
1 | Ask on WhatsApp |
| 12 |
67Fβ14398β10
.O-RING
|
1 | Ask on WhatsApp |
| 13 |
67Fβ14398β20
.O-RING
|
1 | Ask on WhatsApp |
| 14 |
67Fβ14239β00
.SEAL
|
1 | Ask on WhatsApp |
| 15 |
67Fβ14371β01
.ELEMENT, FILTER
|
1 | Ask on WhatsApp |
| 16 |
93210β40M10
.O-RING
|
2 | Ask on WhatsApp |
| 17 |
67Fβ14398β30
.O-RING
|
1 | Ask on WhatsApp |