F100BET

Section 33: REPAIR KIT 1 (v2)

Engine sections in this catalog
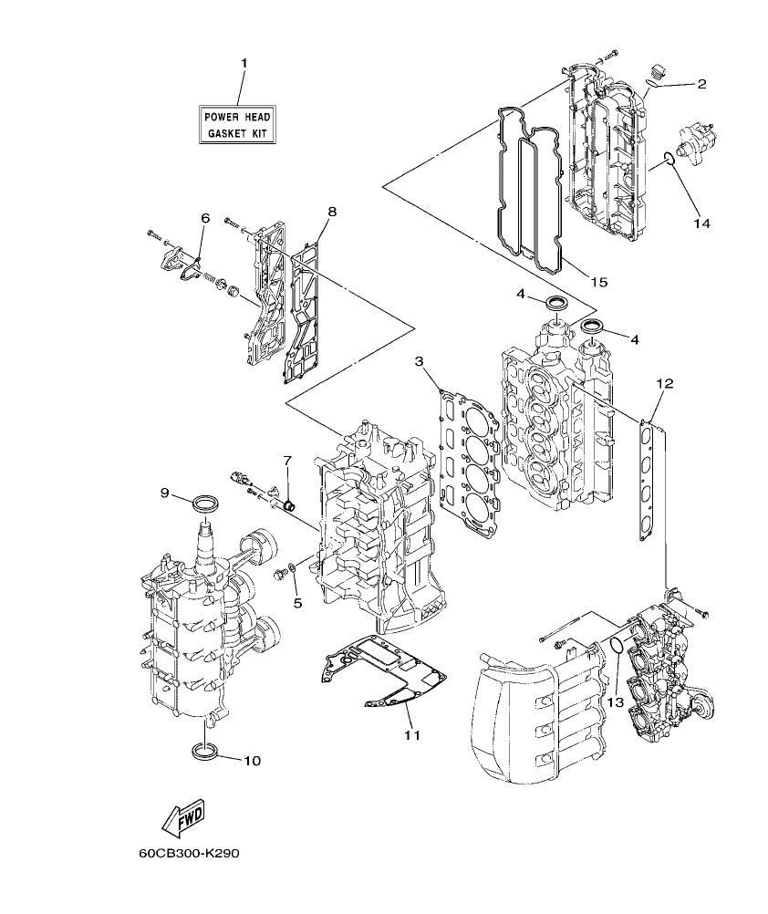
F100BET – section 33 REPAIR KIT 1 parts diagram

Diagram for section 33: REPAIR KIT 1.

Ref Part No. Qty Buy
1
60C–W0001–04
POWER HEAD GASKET KIT
1 Ask on WhatsApp
2
93210–24M79
.O-RING
1 Ask on WhatsApp
3
67F–11181–03
.GASKET, CYLINDER HEAD 1
1 Ask on WhatsApp
4
93102–38008
.OIL SEAL
2 Ask on WhatsApp
5
90430–14115
.GASKET
1 Ask on WhatsApp
6
67F–12435–A0
.GASKET
1 Ask on WhatsApp
7
68V–85753–00
.GASKET, SENDER UNIT
1 Ask on WhatsApp
8
67F–41114–A2
.GASKET, EXHAUST OUTER COVER
1 Ask on WhatsApp
9
93102–48008
.OIL SEAL
1 Ask on WhatsApp
10
93101–48001
.OIL SEAL
1 Ask on WhatsApp
11
68V–11351–00
.GASKET, CYLINDER
1 Ask on WhatsApp
12
67F–13645–00
.GASKET, MANIFOLD 1
1 Ask on WhatsApp
13
93210–41MJ2
.O-RING
4 Ask on WhatsApp
14
93210–30682
.O-RING
1 Ask on WhatsApp
15
6D8–11356–01
.SEAL, CYLINDER 2
1 Ask on WhatsApp