πŸŒ™ Ψ±Ω…ΨΆΨ§Ω† ΩƒΨ±ΩŠΩ… ✨
✨ Ramadan Working Hours: 9:00 AM – 3:00 PM ✨

ME432STIP2

Section 33: TURBO SUPERCHARGER ASSY (v2)

Model code: N701
Section 33 β€” TURBO SUPERCHARGER ASSY
ME432STIP2
100%
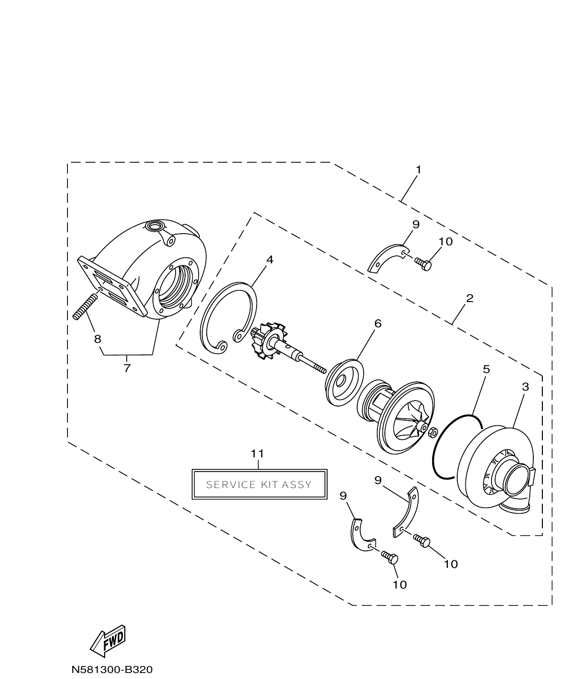
ME432STIP2 – section 33 TURBO SUPERCHARGER ASSY parts diagram
Diagram image Open full size
Parts list
Section 33
Ref Part No. / Description Qty Buy
1
N64-14690-00
TURBO SUPERCHARGER ASSY
(1100-64720) AISAN
1
2
N64-14608-T0
.TURBINE HOUSING ASSY
(1508-84720)
1
3
N57-14607-T0
..COMPRESSOR COVER ASSY
(1492-64710-A)
1
4
6TA-14633-T0
..RING
(4625-64510-C)
1
5
6TA-14854-T0
..O-RING
(4617-64610)
1
6
6TA-14668-T0
..SHROUD, WHEEL
(3341-64610-A)
1
7
6TA-14658-T0
.HOUSING, TURBINE
(1508-64630-A)
1
8
6TA-14661-T0
..BOLT, STUD
(90116-10025-D)
4
9
6TA-14477-T0
.PLATE
(4329-64510-B)
3
10
6TA-14496-T0
.BOLT
(7713-64510-A)
6
11
N51-28120-T0
.SERVICE KIT ASSY(TURBO)
(1000-64571)
1