E40G’04
Choose a section to open the exploded parts diagram with live pricing. (v2)
Engine sections in this model
TOP COWLING
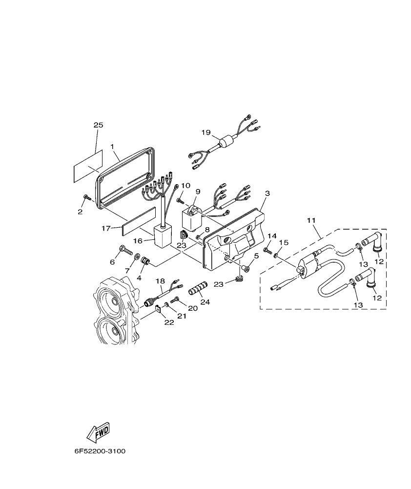
ELECTRICAL 2
ELECTRICAL 3
STARTING MOTOR
BOTTOM COWLING
STEERING
CONTROL 1
CONTROL 2
BRACKET 1
BRACKET 2
UPPER CASING 1
CYLINDER & CRANKCASE
UPPER CASING 2
LOWER CASING & DRIVE 1
LOWER CASING & DRIVE 2
LOWER CASING & DRIVE 3
LOWER CASING & DRIVE 4
FUEL TANK
STEERING GUIDE
REMOTE CONTROL BOX
REMOTE CONTROL ASSY
REPAIR KIT 1
CRANKSHAFT & PISTON
REPAIR KIT 2
REPAIR KIT 3
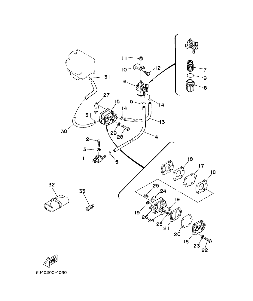
INTAKE
CARBURETOR
FUEL
STARTER
GENERATOR
ELECTRICAL 1
Fig. 1
– TOP COWLING
Fig. 10
– ELECTRICAL 2
Fig. 11
– ELECTRICAL 3
Fig. 12
– STARTING MOTOR
Fig. 13
– BOTTOM COWLING
Fig. 14
– STEERING
Fig. 15
– CONTROL 1
Fig. 16
– CONTROL 2
Fig. 17
– BRACKET 1
Fig. 18
– BRACKET 2
Fig. 19
– UPPER CASING 1
Fig. 2
– CYLINDER & CRANKCASE
Fig. 20
– UPPER CASING 2
Fig. 21
– LOWER CASING & DRIVE 1
Fig. 22
– LOWER CASING & DRIVE 2
Fig. 23
– LOWER CASING & DRIVE 3
Fig. 24
– LOWER CASING & DRIVE 4
Fig. 25
– FUEL TANK
Fig. 26
– STEERING GUIDE
Fig. 27
– REMOTE CONTROL BOX
Fig. 28
– REMOTE CONTROL ASSY
Fig. 29
– REPAIR KIT 1
Fig. 3
– CRANKSHAFT & PISTON
Fig. 30
– REPAIR KIT 2
Fig. 31
– REPAIR KIT 3
Fig. 4
– INTAKE
Fig. 5
– CARBURETOR
Fig. 6
– FUEL
Fig. 7
– STARTER
Fig. 8
– GENERATOR
Fig. 9
– ELECTRICAL 1