E40G’04
Section 11: ELECTRICAL 3 (v2)
Engine sections in this catalog
TOP COWLING
ELECTRICAL 2
ELECTRICAL 3
STARTING MOTOR
BOTTOM COWLING
STEERING
CONTROL 1
CONTROL 2
BRACKET 1
BRACKET 2
UPPER CASING 1
CYLINDER & CRANKCASE
UPPER CASING 2
LOWER CASING & DRIVE 1
LOWER CASING & DRIVE 2
LOWER CASING & DRIVE 3
LOWER CASING & DRIVE 4
FUEL TANK
STEERING GUIDE
REMOTE CONTROL BOX
REMOTE CONTROL ASSY
REPAIR KIT 1
CRANKSHAFT & PISTON
REPAIR KIT 2
REPAIR KIT 3
INTAKE
CARBURETOR
FUEL
STARTER
GENERATOR
ELECTRICAL 1
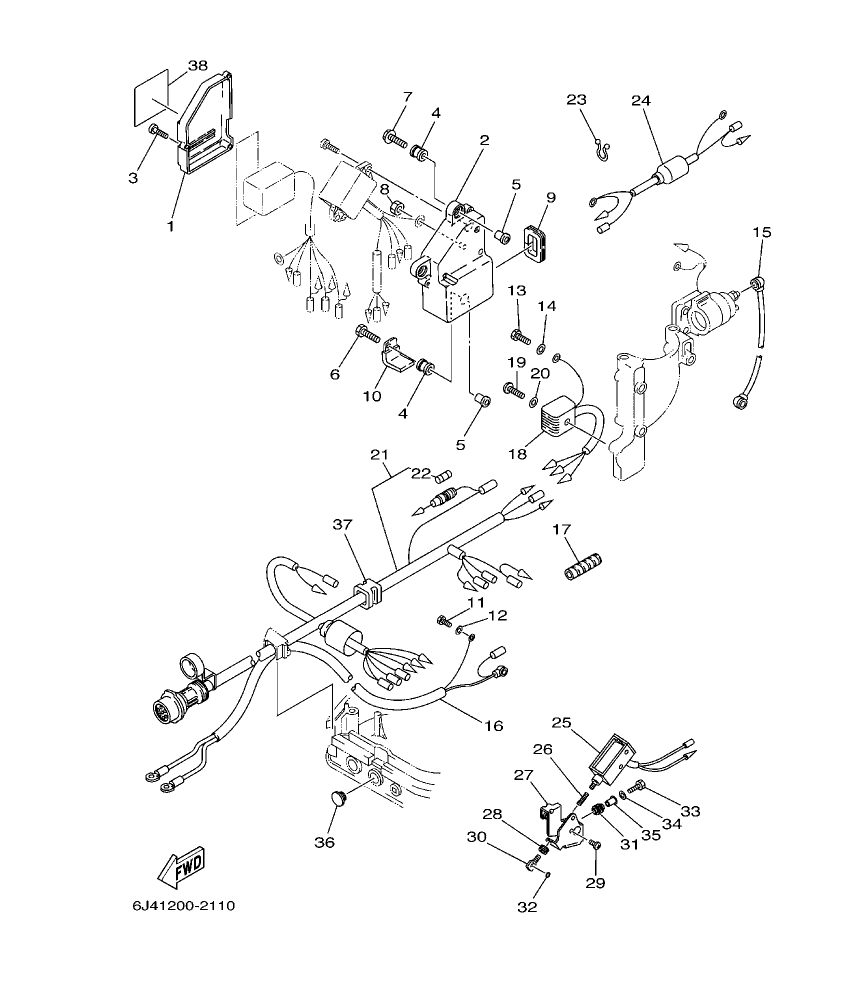
Diagram for section 11: ELECTRICAL 3.
| Ref | Part No. | Qty | Buy |
|---|---|---|---|
| 1 |
6F5–81916–40
COVER, TERMINAL
|
1 | Ask on WhatsApp |
| 2 |
6F5–85542–40
BRACKET
|
1 | Ask on WhatsApp |
| 3 |
90164–05M00
SCREW, TAPPING
|
3 | Ask on WhatsApp |
| 4 |
6A0–82317–00
DAMPER, IGNITION COIL
|
3 | Ask on WhatsApp |
| 5 |
624–42542–00
PIPE
|
3 | Ask on WhatsApp |
| 6 |
97095–06025
BOLT
|
1 | Ask on WhatsApp |
| 7 |
90119–06M88
BOLT, WITH WASHER
|
2 | Ask on WhatsApp |
| 8 |
95380–06600
NUT, HEXAGON
|
1 | Ask on WhatsApp |
| 9 |
6F5–81922–40
GROMMET
|
1 | Ask on WhatsApp |
| 10 |
90465–06M16
CLAMP
|
1 | Ask on WhatsApp |
| 11 |
97095–08016
BOLT
|
1 | Ask on WhatsApp |
| 12 |
92995–08100
WASHER
|
1 | Ask on WhatsApp |
| 13 |
97013–06016
BOLT
|
1 | Ask on WhatsApp |
| 14 |
92903–06600
WASHER, PLATE
|
1 | Ask on WhatsApp |
| 15 |
6F5–82117–00
WIRE, LEAD
|
1 | Ask on WhatsApp |
| 16 |
6F5–82105–00
WIRE HARNESS
|
1 | Ask on WhatsApp |
| 17 |
90446–10M02
HOSE
|
1 | Ask on WhatsApp |
| 18 |
6F5–81970–61
RECTIFIER ASSY
|
1 | Ask on WhatsApp |
| 19 |
97880–05025
SCREW, PAN HEAD
|
1 | Ask on WhatsApp |
| 20 |
92990–05600
WASHER, PLATE
|
1 | Ask on WhatsApp |
| 21 |
6J4–82590–00
WIRE HARNESS ASSY
|
1 | Ask on WhatsApp |
| 22 |
663–82151–00
.FUSE (12V-20A)
|
1 | Ask on WhatsApp |
| 23 |
90465–18147
CLAMP
|
1 | Ask on WhatsApp |
| 24 |
6F5–82519–10
WIRE, EARTH LEAD
|
1 | Ask on WhatsApp |
| 25 |
6J4–86111–00
COIL, SOLENOID
|
1 | Ask on WhatsApp |
| 26 |
6J4–86116–00
WIRE, PULL
|
1 | Ask on WhatsApp |
| 27 |
6J4–86112–00
STAY, SOLENOID
|
1 | Ask on WhatsApp |
| 28 |
90480–10155
GROMMET
|
1 | Ask on WhatsApp |
| 29 |
97880–05008
SCREW, PAN HEAD
|
4 | Ask on WhatsApp |
| 30 |
682–86117–00
HOOK, WIRE PULL
|
1 | Ask on WhatsApp |
| 31 |
6A0–82317–00
DAMPER, IGNITION COIL
|
3 | Ask on WhatsApp |
| 32 |
93210–03261
O-RING
|
1 | Ask on WhatsApp |
| 33 |
97095–06025
BOLT
|
3 | Ask on WhatsApp |
| 34 |
92995–06600
WASHER
|
3 | Ask on WhatsApp |
| 35 |
624–42542–00
PIPE
|
3 | Ask on WhatsApp |
| 36 |
90480–17165
GROMMET
|
1 | Ask on WhatsApp |
| 37 |
90480–17M08
GROMMET
|
1 | Ask on WhatsApp |
| 38 |
6F5–83622–60
MARK 2
|
1 | Ask on WhatsApp |