E40G’04
Section 10: ELECTRICAL 2 (v2)
Engine sections in this catalog
TOP COWLING
ELECTRICAL 2
ELECTRICAL 3
STARTING MOTOR
BOTTOM COWLING
STEERING
CONTROL 1
CONTROL 2
BRACKET 1
BRACKET 2
UPPER CASING 1
CYLINDER & CRANKCASE
UPPER CASING 2
LOWER CASING & DRIVE 1
LOWER CASING & DRIVE 2
LOWER CASING & DRIVE 3
LOWER CASING & DRIVE 4
FUEL TANK
STEERING GUIDE
REMOTE CONTROL BOX
REMOTE CONTROL ASSY
REPAIR KIT 1
CRANKSHAFT & PISTON
REPAIR KIT 2
REPAIR KIT 3
INTAKE
CARBURETOR
FUEL
STARTER
GENERATOR
ELECTRICAL 1
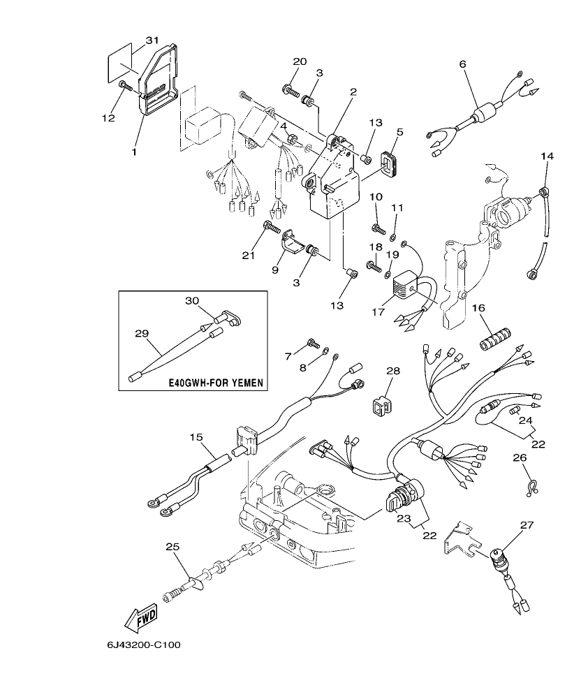
Diagram for section 10: ELECTRICAL 2.
| Ref | Part No. | Qty | Buy |
|---|---|---|---|
| 1 |
6F5–81916–40
COVER, TERMINAL
|
1 | Ask on WhatsApp |
| 1 |
6F5–81916–40
COVER, TERMINAL
|
1 | Ask on WhatsApp |
| 2 |
6F5–85542–40
BRACKET
|
1 | Ask on WhatsApp |
| 2 |
6F5–85542–40
BRACKET
|
1 | Ask on WhatsApp |
| 3 |
6A0–82317–00
DAMPER, IGNITION COIL
|
3 | Ask on WhatsApp |
| 3 |
6A0–82317–00
DAMPER, IGNITION COIL
|
3 | Ask on WhatsApp |
| 4 |
95380–06600
NUT, HEXAGON
|
1 | Ask on WhatsApp |
| 4 |
95380–06600
NUT, HEXAGON
|
1 | Ask on WhatsApp |
| 5 |
6F5–81922–40
GROMMET
|
1 | Ask on WhatsApp |
| 5 |
6F5–81922–40
GROMMET
|
1 | Ask on WhatsApp |
| 6 |
6F5–82519–10
WIRE, EARTH LEAD
|
1 | Ask on WhatsApp |
| 6 |
6F5–82519–10
WIRE, EARTH LEAD
|
1 | Ask on WhatsApp |
| 7 |
97095–08016
BOLT
|
1 | Ask on WhatsApp |
| 7 |
97095–08016
BOLT
|
1 | Ask on WhatsApp |
| 8 |
92995–08100
WASHER
|
1 | Ask on WhatsApp |
| 8 |
92995–08100
WASHER
|
1 | Ask on WhatsApp |
| 9 |
90465–06M16
CLAMP
|
1 | Ask on WhatsApp |
| 9 |
90465–06M16
CLAMP
|
1 | Ask on WhatsApp |
| 10 |
97013–06016
BOLT
|
1 | Ask on WhatsApp |
| 10 |
97013–06016
BOLT
|
1 | Ask on WhatsApp |
| 11 |
92903–06600
WASHER, PLATE
|
1 | Ask on WhatsApp |
| 11 |
92903–06600
WASHER, PLATE
|
1 | Ask on WhatsApp |
| 12 |
90164–05M00
SCREW, TAPPING
|
3 | Ask on WhatsApp |
| 12 |
90164–05M00
SCREW, TAPPING
|
3 | Ask on WhatsApp |
| 13 |
624–42542–00
PIPE
|
3 | Ask on WhatsApp |
| 13 |
624–42542–00
PIPE
|
3 | Ask on WhatsApp |
| 14 |
6F5–82117–00
WIRE, LEAD
|
1 | Ask on WhatsApp |
| 14 |
6F5–82117–00
WIRE, LEAD
|
1 | Ask on WhatsApp |
| 15 |
6F5–82105–00
WIRE HARNESS
|
1 | Ask on WhatsApp |
| 15 |
6F5–82105–00
WIRE HARNESS
|
1 | Ask on WhatsApp |
| 16 |
90446–10M02
HOSE
|
1 | Ask on WhatsApp |
| 16 |
90446–10M02
HOSE
|
1 | Ask on WhatsApp |
| 17 |
6F5–81970–61
RECTIFIER ASSY
|
1 | Ask on WhatsApp |
| 17 |
6F5–81970–61
RECTIFIER ASSY
|
1 | Ask on WhatsApp |
| 18 |
97880–05025
SCREW, PAN HEAD
|
1 | Ask on WhatsApp |
| 18 |
97880–05025
SCREW, PAN HEAD
|
1 | Ask on WhatsApp |
| 19 |
92990–05600
WASHER, PLATE
|
1 | Ask on WhatsApp |
| 19 |
92990–05600
WASHER, PLATE
|
1 | Ask on WhatsApp |
| 20 |
90119–06M88
BOLT, WITH WASHER
|
2 | Ask on WhatsApp |
| 20 |
90119–06M88
BOLT, WITH WASHER
|
2 | Ask on WhatsApp |
| 21 |
97095–06025
BOLT
|
1 | Ask on WhatsApp |
| 21 |
97095–06025
BOLT
|
1 | Ask on WhatsApp |
| 22 |
6F5–82510–02
MAIN SWITCH ASSY
|
1 | Ask on WhatsApp |
| 22 |
6F5–82510–02
MAIN SWITCH ASSY
|
1 | Ask on WhatsApp |
| 23 |
676–82577–00
.CAP, KEY
|
1 | Ask on WhatsApp |
| 23 |
676–82577–00
.CAP, KEY
|
1 | Ask on WhatsApp |
| 24 |
663–82151–00
.FUSE (12V-20A)
|
1 | Ask on WhatsApp |
| 24 |
663–82151–00
.FUSE (12V-20A)
|
1 | Ask on WhatsApp |
| 25 |
6E9–85414–40
HOLDER, OVERHEAT WARNING LAMP
|
1 | Ask on WhatsApp |
| 26 |
90465–18147
CLAMP
|
1 | Ask on WhatsApp |
| 26 |
90465–18147
CLAMP
|
1 | Ask on WhatsApp |
| 27 |
6F5–82540–00
NEUTRAL SWITCH ASSY
|
1 | Ask on WhatsApp |
| 27 |
6F5–82540–00
NEUTRAL SWITCH ASSY
|
1 | Ask on WhatsApp |
| 28 |
90480–17M08
GROMMET
|
1 | Ask on WhatsApp |
| 28 |
90480–17M08
GROMMET
|
1 | Ask on WhatsApp |
| 29 |
6F6–82509–00
WIRE, SUB LEAD
|
1 | Ask on WhatsApp |
| 30 |
6A0–82119–00
COVER, LEAD WIRE
|
1 | Ask on WhatsApp |
| 31 |
6F5–83622–60
MARK 2
|
1 | Ask on WhatsApp |