Yamaha E25B / E30H 2002 outboard parts & diagrams
Section 16: CONTROL
Engine sections in this catalog
TOP COWLING
CYLINDER. CRANKCASE
CRANKSHAFT. PISTON
INTAKE
CARBURETOR
FUEL
STARTER
GENERATOR
ELECTRICAL 1
ELECTRICAL 2
ELECTRICAL 3
STARTING MOTOR
BOTTOM COWLING
STEERING
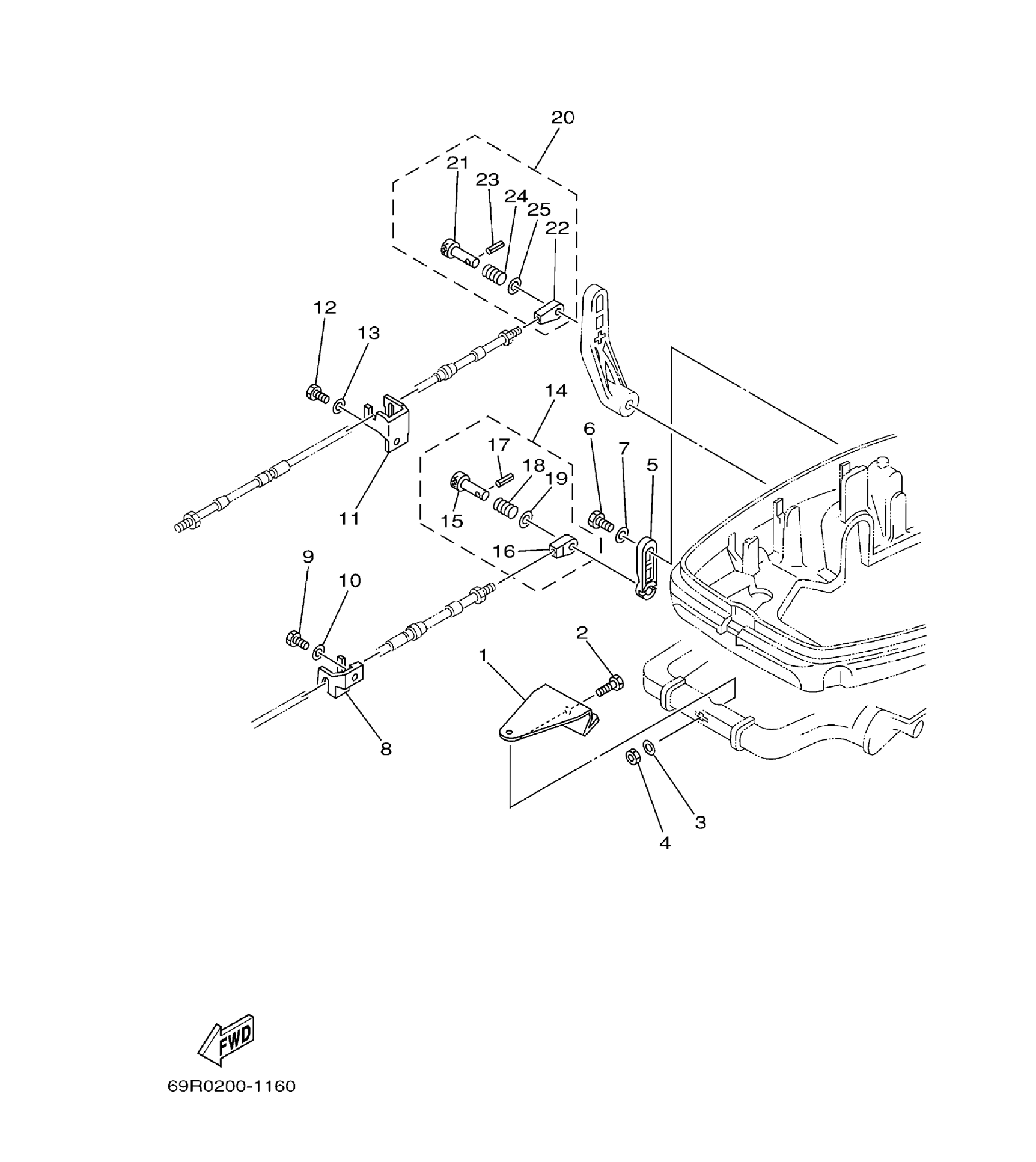
CONTROL
CONTROL
BRACKET
BRACKET
UPPER CASING
LOWER CASING. DRIVE 1
LOWER CASING. DRIVE 2
FUEL TANK
STEERING GUIDE
REMOTE CONTROL BOX
REMOTE CONTROL ASSY
REPAIR KIT
REPAIR KIT
Diagram for section 16: CONTROL.
| Ref | Part No. | Qty | Buy |
|---|