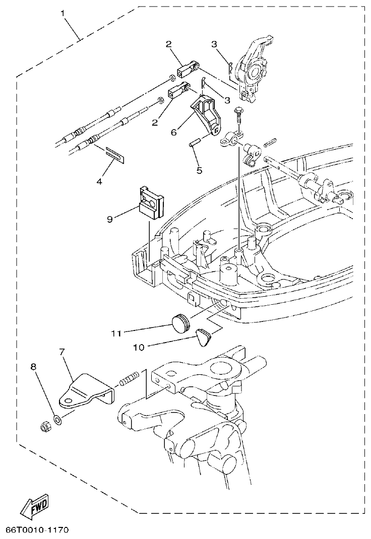
Yamaha 40XMH, 40XW Section 15 Parts Diagram

REMO CON ATTACHMENT

8 catalog rows Β· 2 linked store rows
Section 15 β€” REMO CON ATTACHMENT
40XMH, 40XW
100%
40XMH, 40XW – section 15 REMO CON ATTACHMENT parts diagram
Diagram image Open full size
Parts list
Section 15
Ref Part No. / Description Qty Buy
1
66T-48501-01
REMOTE CONT. ATTACHMENT ASSY.
1 AP
1
2
663-48344-00
.CABLE END, REMOTE CONTROL
2
2
4
6H3-48538-00
.CLAMP, CABLE 1
1
1
6.70 AED
πŸ”“ Unlock Discounts
Stock 13
6
66T-44125-01
.LEVER, SHIFT ROD
1
1
7
65W-48511-00
.HOOK, STEERING
1
1
9
66T-42725-30
.GROMMET
1
1
10
65W-26326-10
.GROMMET
1
1
11
65W-42726-10
.GROMMET
1
1