F175AET
Section 35: LOWER CASING & DRIVE 2 (v2)
Engine sections in this catalog
SCHEDULED SERVICE PARTS
INTAKE 2
INTAKE 3
FUEL INJECTION PUMP 1
FUEL INJECTION PUMP 2
FUEL 1
FUEL 2
GENERATOR
ELECTRICAL 1
ELECTRICAL 2
ELECTRICAL 3
TOP COWLING
ELECTRICAL 4
ELECTRICAL 5
ELECTRICAL 6
STARTING MOTOR
BOTTOM COWLING 1
BOTTOM COWLING 2
BOTTOM COWLING 3
CONTROL
BRACKET 1
BRACKET 2
CYLINDER & CRANKCASE 1
POWER TRIM & TILT ASSY 1
POWER TRIM & TILT ASSY 2
UPPER CASING
OIL PAN
LOWER CASING & DRIVE 1
LOWER CASING & DRIVE 2
STEERING GUIDE
OPTIONAL PARTS 1
OPTIONAL PARTS 2
REPAIR KIT 1
CRANKSHAFT & PISTON
REPAIR KIT 2
CYLINDER & CRANKCASE 2
CYLINDER & CRANKCASE 3
CYLINDER & CRANKCASE 4
VALVE
INTAKE 1
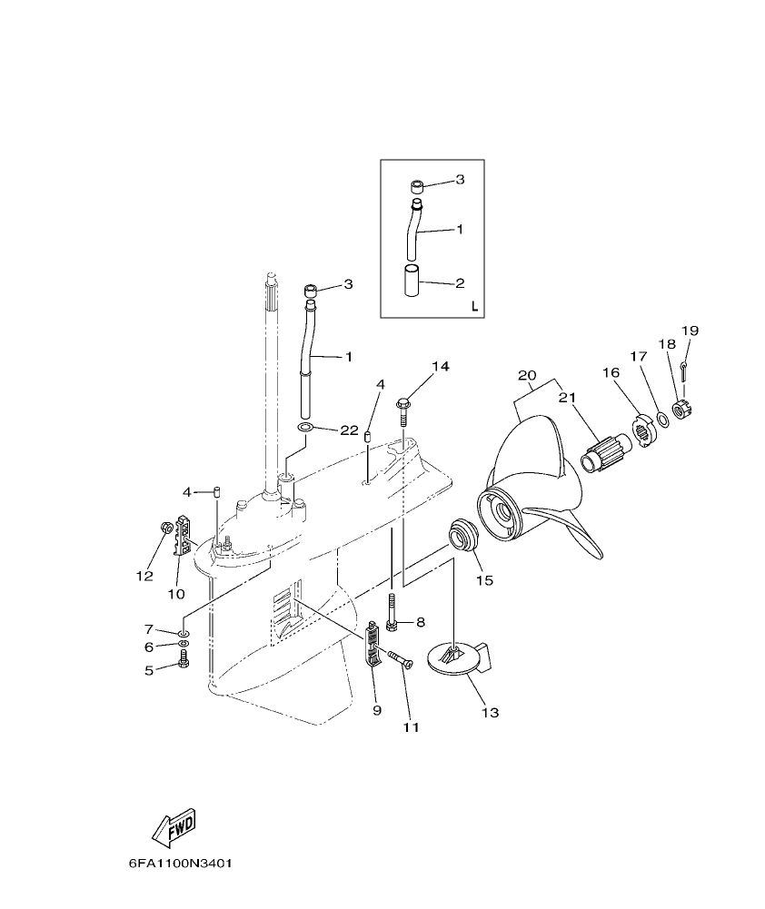
Diagram for section 35: LOWER CASING & DRIVE 2.
| Ref | Part No. | Qty | Buy |
|---|---|---|---|
| 1 |
6DAβ44361β00
TUBE, WATER 1
|
1 | Ask on WhatsApp |
| 1 |
6DAβ44361β10
TUBE, WATER 1
|
1 | Ask on WhatsApp |
| 2 |
90445β23002
HOSE (L59)
|
1 | Ask on WhatsApp |
| 3 |
6E5β44365β00
DAMPER, WATER SEAL 1
|
1 | Ask on WhatsApp |
| 4 |
93608β16M16
PIN, DOWEL
|
2 | Ask on WhatsApp |
| 5 |
97095β10045
BOLT
|
6 | Ask on WhatsApp |
| 6 |
92995β10100
WASHER
|
6 | Ask on WhatsApp |
| 7 |
92995β10600
WASHER
|
6 | Ask on WhatsApp |
| 8 |
90119β10MA2
BOLT, WITH WASHER
|
1 | Ask on WhatsApp |
| 9 |
6J9β45214β00
COVER, WATER INLET 1
|
1 | Ask on WhatsApp |
| 10 |
6J9β45215β00
COVER, WATER INLET 2
|
1 | Ask on WhatsApp |
| 11 |
90152β05M08
SCREW, COUNTERSUNK
|
1 | Ask on WhatsApp |
| 12 |
90185β05002
NUT, NYLON
|
1 | Ask on WhatsApp |
| 13 |
6J9β45371β01
TAB-TRIM
|
1 | Ask on WhatsApp |
| 14 |
90105β10M00
BOLT, FLANGE
|
1 | Ask on WhatsApp |
| 15 |
63Pβ45987β00
SPACER 1
|
1 | Ask on WhatsApp |
| 16 |
6CEβ45997β00
SPACER 2
|
1 | Ask on WhatsApp |
| 17 |
92990β18200
WASHER
|
1 | Ask on WhatsApp |
| 18 |
90171β18M04
NUT, CASTLE
|
1 | Ask on WhatsApp |
| 19 |
91490β40030
PIN. COTTER
|
1 | Ask on WhatsApp |
| 20 |
68Fβ45970β10
"PROPELLER (3X14-1/2""X15""-M)"
|
1 | Ask on WhatsApp |
| 20 |
68Fβ45972β10
"PROPELLER (3X14-1/4""X17""-M)"
|
1 | Ask on WhatsApp |
| 20 |
68Fβ45974β10
"PROPELLER (3X13-3/4""X19""-M)"
|
1 | Ask on WhatsApp |
| 20 |
68Fβ45976β10
"PROPELLER (3X13-3/4""X21""-M)"
|
1 | Ask on WhatsApp |
| 20 |
68Fβ45978β10
"PROPELLER (3X14-1/4""X18""-M)"
|
1 | Ask on WhatsApp |
| 21 |
6CEβ45C81β00
.DAMPER RUBBER, PROPELLER 1
|
1 | Ask on WhatsApp |
| 22 |
90202β16061
WASHER, PLATE
|
1 | Ask on WhatsApp |