F130AET
Section 18: ELECTRICAL 3 (v2)
Engine sections in this catalog
SCHEDULED SERVICE PARTS
FUEL INJECTION PUMP 1
FUEL INJECTION PUMP 2
EXHAUST
FUEL 1
FUEL 2
GENERATOR
ELECTRICAL 1
ELECTRICAL 2
ELECTRICAL 3
ELECTRICAL 4
TOP COWLING
ELECTRICAL 5
ELECTRICAL 6
STARTING MOTOR
BOTTOM COWLING 1
BOTTOM COWLING 2
CONTROL
BRACKET 1
BRACKET 2
POWER TRIM & TILT ASSY 1
POWER TRIM & TILT ASSY 2
CYLINDER & CRANKCASE 1
UPPER CASING
OIL PAN
LOWER CASING & DRIVE 1
LOWER CASING & DRIVE 2
STEERING GUIDE
OPTIONAL PARTS 1
OPTIONAL PARTS 2
REPAIR KIT 1
REPAIR KIT 2
CRANKSHAFT & PISTON
CYLINDER & CRANKCASE 2
VALVE
INTAKE 1
INTAKE 2
INTAKE 3
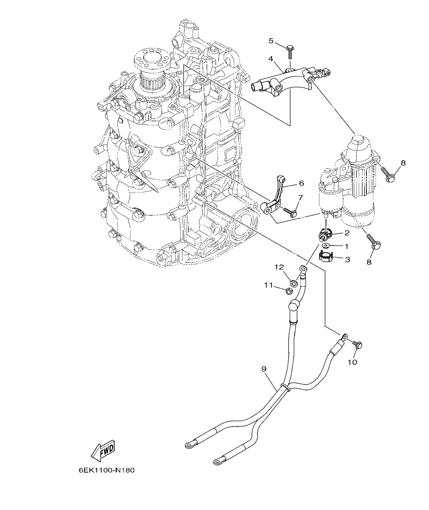
Diagram for section 18: ELECTRICAL 3.
| Ref | Part No. | Qty | Buy |
|---|---|---|---|
| 1 |
90179β08003
|
1 | Ask on WhatsApp |
| 2 |
60Vβ81925β00
|
1 | Ask on WhatsApp |
| 3 |
68Fβ82582β00
|
1 | Ask on WhatsApp |
| 4 |
6EKβ81822β00
|
1 | Ask on WhatsApp |
| 5 |
95812β08030
|
2 | Ask on WhatsApp |
| 6 |
6EKβ81823β00
|
1 | Ask on WhatsApp |
| 7 |
95812β08030
|
1 | Ask on WhatsApp |
| 8 |
90105β08248
|
3 | Ask on WhatsApp |
| 9 |
68Vβ82105β01
|
1 | Ask on WhatsApp |
| 10 |
90105β06M14
|
1 | Ask on WhatsApp |
| 11 |
95333β08600
|
1 | Ask on WhatsApp |
| 12 |
92903β08100
|
1 | Ask on WhatsApp |