F130AET
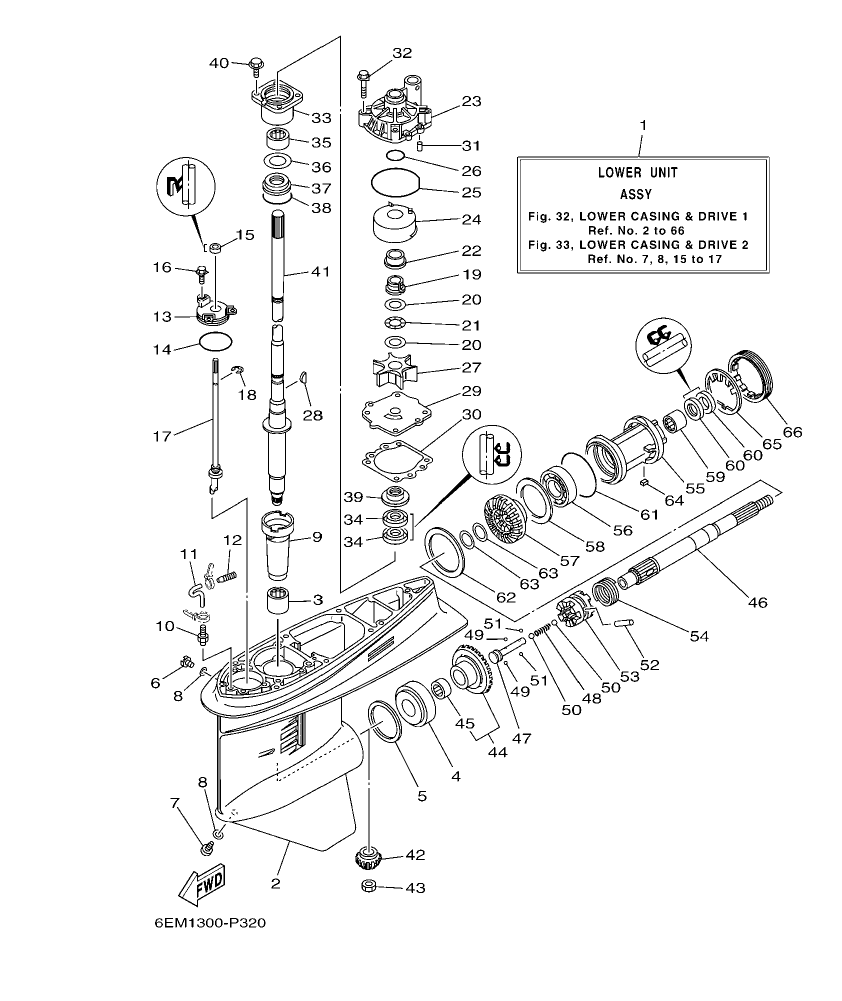
Section 32: LOWER CASING & DRIVE 1 (v2)
Engine sections in this catalog
SCHEDULED SERVICE PARTS
FUEL INJECTION PUMP 1
FUEL INJECTION PUMP 2
EXHAUST
FUEL 1
FUEL 2
GENERATOR
ELECTRICAL 1
ELECTRICAL 2
ELECTRICAL 3
ELECTRICAL 4
TOP COWLING
ELECTRICAL 5
ELECTRICAL 6
STARTING MOTOR
BOTTOM COWLING 1
BOTTOM COWLING 2
CONTROL
BRACKET 1
BRACKET 2
POWER TRIM & TILT ASSY 1
POWER TRIM & TILT ASSY 2
CYLINDER & CRANKCASE 1
UPPER CASING
OIL PAN
LOWER CASING & DRIVE 1
LOWER CASING & DRIVE 2
STEERING GUIDE
OPTIONAL PARTS 1
OPTIONAL PARTS 2
REPAIR KIT 1
REPAIR KIT 2
CRANKSHAFT & PISTON
CYLINDER & CRANKCASE 2
VALVE
INTAKE 1
INTAKE 2
INTAKE 3
Diagram for section 32: LOWER CASING & DRIVE 1.
| Ref | Part No. | Qty | Buy |
|---|---|---|---|
| 1 |
6EMβ45300β00β8D
LOWER UNIT ASSY
|
1 | Ask on WhatsApp |
| 1 |
6EMβ45300β10β8D
LOWER UNIT ASSY
|
1 | Ask on WhatsApp |
| 2 |
6E5β45301β07β8D
CASING, LOWER
|
1 | Ask on WhatsApp |
| 3 |
93315β628U9
BEARING
|
1 | Ask on WhatsApp |
| 4 |
93332β000U7
BEARING
|
1 | Ask on WhatsApp |
| 5 |
6E5β45567β01
SHIM (T:0.10MM)
|
1 | Ask on WhatsApp |
| 5 |
6E5β45567β10
SHIM (T:0.12MM)
|
1 | Ask on WhatsApp |
| 5 |
6E5β45567β20
SHIM (T:0.15MM)
|
1 | Ask on WhatsApp |
| 5 |
6E5β45567β30
SHIM (T:0.18MM)
|
1 | Ask on WhatsApp |
| 5 |
6E5β45567β40
SHIM (T:0.30MM)
|
1 | Ask on WhatsApp |
| 5 |
6E5β45567β50
SHIM (T:0.40MM)
|
1 | Ask on WhatsApp |
| 5 |
6E5β45567β60
SHIM (T:0.50MM)
|
1 | Ask on WhatsApp |
| 6 |
90340β08002
PLUG, STRAIGHT SCREW
|
1 | Ask on WhatsApp |
| 7 |
688β45341β10
PLUG, DRAIN
|
1 | Ask on WhatsApp |
| 8 |
90430β08020
GASKET
|
2 | Ask on WhatsApp |
| 9 |
6E5β45536β00
SLEEVE, DRIVE SHAFT
|
1 | Ask on WhatsApp |
| 10 |
6E5β45378β00
NIPPLE, HOSE
|
1 | Ask on WhatsApp |
| 11 |
90445β07ME8
HOSE (L80)
|
1 | Ask on WhatsApp |
| 11 |
90445β07ME9
HOSE (L120)
|
1 | Ask on WhatsApp |
| 12 |
6E5β83558β10
END, NIPPLE
|
1 | Ask on WhatsApp |
| 13 |
6E5β45321β00
PLATE
|
1 | Ask on WhatsApp |
| 14 |
93210β58144
O-RING
|
1 | Ask on WhatsApp |
| 15 |
93106β09014
OIL SEAL
|
1 | Ask on WhatsApp |
| 16 |
90119β06M10
BOLT, WITH WASHER
|
3 | Ask on WhatsApp |
| 17 |
6E5β44150β03
SHIFT CAM ASSY
|
1 | Ask on WhatsApp |
| 18 |
99001β08600
CIRCLIP
|
1 | Ask on WhatsApp |
| 19 |
61Aβ45538β00
SPACER 1
|
1 | Ask on WhatsApp |
| 20 |
90201β22M01
WASHER, PLATE
|
2 | Ask on WhatsApp |
| 21 |
90206β22M19
WASHER, WAVE
|
1 | Ask on WhatsApp |
| 22 |
61Aβ45527β00
COLLAR, DRIVE SHAFT
|
1 | Ask on WhatsApp |
| 23 |
61Aβ44311β01
HOUSING, WATER PUMP
|
1 | Ask on WhatsApp |
| 24 |
61Aβ44322β02
INSERT, CARTRIDGE
|
1 | Ask on WhatsApp |
| 25 |
93210β86M38
O-RING
|
1 | Ask on WhatsApp |
| 26 |
93210β37160
O-RING
|
1 | Ask on WhatsApp |
| 27 |
6E5β44352β01
IMPELLER
|
1 | Ask on WhatsApp |
| 28 |
90280β04M05
KEY, WOODRUFF
|
1 | Ask on WhatsApp |
| 29 |
6EKβ44323β00
OUTER PLATE, CARTRIDGE
|
1 | Ask on WhatsApp |
| 30 |
6E5β44315βA0
GASKET, WATER PUMP
|
1 | Ask on WhatsApp |
| 31 |
93606β12019
PIN, DOWEL
|
2 | Ask on WhatsApp |
| 32 |
90119β08M14
BOLT, WITH WASHER
|
4 | Ask on WhatsApp |
| 33 |
6E5β45331β00β9S
HOUSING, BEARING
|
1 | Ask on WhatsApp |
| 34 |
93101β28M16
OIL SEAL
|
2 | Ask on WhatsApp |
| 35 |
93317β330U2
BEARING
|
1 | Ask on WhatsApp |
| 36 |
6E5β45587β01
SHIM (T:0.10MM)
|
1 | Ask on WhatsApp |
| 36 |
6E5β45587β10
SHIM (T:0.12MM)
|
1 | Ask on WhatsApp |
| 36 |
6E5β45587β20
SHIM (T:0.15MM)
|
1 | Ask on WhatsApp |
| 36 |
6E5β45587β30
SHIM (T:0.18MM)
|
1 | Ask on WhatsApp |
| 36 |
6E5β45587β40
SHIM (T:0.30MM)
|
1 | Ask on WhatsApp |
| 36 |
6E5β45587β50
SHIM (T:0.40MM)
|
1 | Ask on WhatsApp |
| 36 |
6E5β45587β60
SHIM (T:0.50MM)
|
1 | Ask on WhatsApp |
| 37 |
93341β930V2
BEARING
|
1 | Ask on WhatsApp |
| 38 |
93210β55M14
O-RING
|
1 | Ask on WhatsApp |
| 39 |
6E5β45344β00
COVER, OIL SEAL
|
1 | Ask on WhatsApp |
| 40 |
97595β08525
BOLT, WITH WASHER
|
4 | Ask on WhatsApp |
| 41 |
6EKβ45501β00
DRIVE SHAFT COMP.
|
1 | Ask on WhatsApp |
| 41 |
6EKβ45501β10
DRIVE SHAFT COMP.
|
1 | Ask on WhatsApp |
| 42 |
6EMβ45551β00
PINION (13T)
|
1 | Ask on WhatsApp |
| 43 |
90170β16M01
NUT
|
1 | Ask on WhatsApp |
| 44 |
6EMβ45560β00
GEAR 1 (28T)
|
1 | Ask on WhatsApp |
| 45 |
93315β425U7
.BEARING
|
1 | Ask on WhatsApp |
| 46 |
6E5β45611β01
SHAFT, PROPELLER
|
1 | Ask on WhatsApp |
| 47 |
6E5β45634β02
SLIDE, SHIFT
|
1 | Ask on WhatsApp |
| 48 |
90501β16M37
SPRING, COMPRESSION
|
1 | Ask on WhatsApp |
| 49 |
93507β32009
BALL
|
2 | Ask on WhatsApp |
| 50 |
93511β32017
BALL
|
2 | Ask on WhatsApp |
| 51 |
93503β16003
BALL
|
2 | Ask on WhatsApp |
| 52 |
90250β08M07
PIN, STRAIGHT
|
1 | Ask on WhatsApp |
| 53 |
68Vβ45631β01
CLUTCH, DOG
|
1 | Ask on WhatsApp |
| 54 |
6E5β45633β01
RING, CROSS PIN
|
1 | Ask on WhatsApp |
| 55 |
6E5β45332β00βCA
HOUSING, BEARING
|
1 | Ask on WhatsApp |
| 56 |
93306β208U0
BEARING
|
1 | Ask on WhatsApp |
| 57 |
68Vβ45571β00
GEAR 2 (28T)
|
1 | Ask on WhatsApp |
| 58 |
6E5β45576β00
WASHER, THRUST 2
|
1 | Ask on WhatsApp |
| 59 |
93315β430U8
BEARING
|
1 | Ask on WhatsApp |
| 60 |
93101β30M17
OIL SEAL
|
2 | Ask on WhatsApp |
| 61 |
93210β86M39
O-RING
|
1 | Ask on WhatsApp |
| 62 |
6L6β45577β00
SHIM (T:0.10MM)
|
1 | Ask on WhatsApp |
| 62 |
6L6β45577β10
SHIM (T:0.12MM)
|
1 | Ask on WhatsApp |
| 62 |
6L6β45577β20
SHIM (T:0.15MM)
|
1 | Ask on WhatsApp |
| 62 |
6L6β45577β30
SHIM (T:0.18MM)
|
1 | Ask on WhatsApp |
| 62 |
6L6β45577β40
SHIM (T:0.30MM)
|
1 | Ask on WhatsApp |
| 62 |
6L6β45577β50
SHIM (T:0.40MM)
|
1 | Ask on WhatsApp |
| 62 |
6L6β45577β60
SHIM (T:0.50MM)
|
1 | Ask on WhatsApp |
| 63 |
90201β30M92
WASHER, PLATE
|
2 | Ask on WhatsApp |
| 64 |
90282β04010
KEY, STRAIGHT
|
1 | Ask on WhatsApp |
| 65 |
688β45383β02
WASHER, CLAW
|
1 | Ask on WhatsApp |
| 66 |
688β45384β02
NUT
|
1 | Ask on WhatsApp |