F130AET
Section 37: REPAIR KIT 1 (v2)
Engine sections in this catalog
SCHEDULED SERVICE PARTS
FUEL INJECTION PUMP 1
FUEL INJECTION PUMP 2
EXHAUST
FUEL 1
FUEL 2
GENERATOR
ELECTRICAL 1
ELECTRICAL 2
ELECTRICAL 3
ELECTRICAL 4
TOP COWLING
ELECTRICAL 5
ELECTRICAL 6
STARTING MOTOR
BOTTOM COWLING 1
BOTTOM COWLING 2
CONTROL
BRACKET 1
BRACKET 2
POWER TRIM & TILT ASSY 1
POWER TRIM & TILT ASSY 2
CYLINDER & CRANKCASE 1
UPPER CASING
OIL PAN
LOWER CASING & DRIVE 1
LOWER CASING & DRIVE 2
STEERING GUIDE
OPTIONAL PARTS 1
OPTIONAL PARTS 2
REPAIR KIT 1
REPAIR KIT 2
CRANKSHAFT & PISTON
CYLINDER & CRANKCASE 2
VALVE
INTAKE 1
INTAKE 2
INTAKE 3
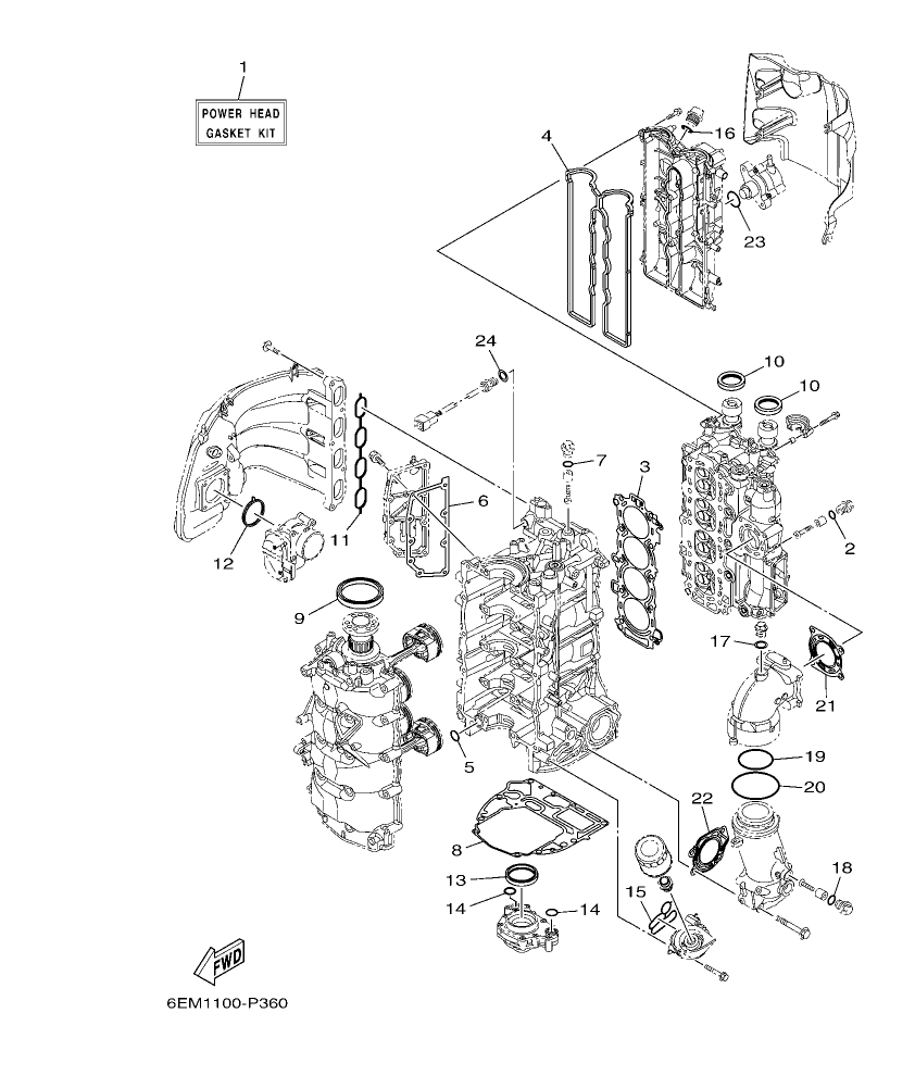
Diagram for section 37: REPAIR KIT 1.
| Ref | Part No. | Qty | Buy |
|---|---|---|---|
| 1 |
6EKβW0001β00
POWER HEAD GASKET KIT
|
1 | Ask on WhatsApp |
| 2 |
93210β13M63
.O-RING
|
1 | Ask on WhatsApp |
| 3 |
6EKβ11181β00
.GASKET, CYLINDER HEAD 1
|
1 | Ask on WhatsApp |
| 4 |
6EKβ11193β00
.GASKET, HEAD COVER 1
|
1 | Ask on WhatsApp |
| 5 |
93210β19MJ1
.O-RING
|
1 | Ask on WhatsApp |
| 6 |
6EKβ15353β00
.GASKET, DRAIN
|
1 | Ask on WhatsApp |
| 7 |
93210β13M63
.O-RING
|
1 | Ask on WhatsApp |
| 8 |
6EKβ11351β00
.GASKET, CYLINDER
|
1 | Ask on WhatsApp |
| 9 |
93102β85008
.OIL SEAL
|
1 | Ask on WhatsApp |
| 10 |
93102β38008
.OIL SEAL
|
2 | Ask on WhatsApp |
| 11 |
6EKβ13645β00
.GASKET, MANIFOLD 1
|
1 | Ask on WhatsApp |
| 12 |
6EKβ13646β00
.GASKET, MANIFOLD 2
|
1 | Ask on WhatsApp |
| 13 |
69Jβ11355β00
.SEAL, CYLINDER 1
|
1 | Ask on WhatsApp |
| 14 |
93210β19MJ1
.O-RING
|
2 | Ask on WhatsApp |
| 15 |
6EKβ13475β00
.GASKET
|
1 | Ask on WhatsApp |
| 16 |
93210β24M79
.O-RING
|
1 | Ask on WhatsApp |
| 17 |
90201β186F1
.WASHER, PLATE
|
1 | Ask on WhatsApp |
| 18 |
93210β13M63
.O-RING
|
1 | Ask on WhatsApp |
| 19 |
93210β64001
.O-RING
|
1 | Ask on WhatsApp |
| 20 |
93210β84001
.O-RING
|
1 | Ask on WhatsApp |
| 21 |
6EKβ41114β00
.GASKET, EXHAUST OUTER COVER
|
1 | Ask on WhatsApp |
| 22 |
6EKβ41124β00
.GASKET, EXHAUST OUTER COVER
|
1 | Ask on WhatsApp |
| 23 |
93210β30682
.O-RING
|
1 | Ask on WhatsApp |
| 24 |
90430β14115
.GASKET
|
1 | Ask on WhatsApp |